EXHIBIT 96.1

| Technical Report Summary
For The Golden Chest Mine,
Idaho, USA
SK-1300 Report |
|
|
| Idaho Strategic Resources, Inc. |
Prepared By:
Grant A. Brackebusch, P.E.
Robert J. Morgan PG, PLS
Andrew A. Brackebusch, P.E.
For
Idaho Strategic Resources, Inc.
201 North 3rd St.
Coeur d’Alene, ID 83814
Effective Date: December 31, 2025
Signature Date: March 20, 2026
Contents
| Contents |
| 1-1 |
| |
|
|
|
|
| |
| Tables |
| 1-6 |
| |
|
|
|
|
| |
| Figures |
| 1-7 |
| |
|
|
|
|
| |
| 1.0 | EXECUTIVE SUMMARY |
| 1-0 |
|
|
| 1.1 | Summary |
| 1-0 |
|
|
| 1.1.1 | Conclusions |
| 1-0 |
|
|
| 1.1.2 | Recommendations |
| 1-2 |
|
|
| 1.2 | Economic Analysis |
| 1-3 |
|
|
| 1.2.1 | Economic Criteria |
| 1-3 |
|
|
| 1.2.2 | Physical Parameters |
| 1-3 |
|
|
| 1.2.3 | Revenue Parameters |
| 1-3 |
|
|
| 1.2.4 | Operating and Capital Costs |
| 1-3 |
|
|
| 1.2.5 | Taxes and Royalties |
| 1-4 |
|
|
| 1.2.6 | Cash Flow |
| 1-4 |
|
|
| 1.2.7 | Sensitivity |
| 1-4 |
|
|
| 1.3 | Technical Summary |
| 1-4 |
|
|
| 1.3.1 | Property Description |
| 1-4 |
|
|
| 1.3.2 | Land Tenure |
| 1-4 |
|
|
| 1.3.3 | History |
| 1-4 |
|
|
| 1.3.4 | Geologic Setting, Mineralization, and Deposit |
| 1-5 |
|
|
| 1.3.5 | Exploration |
| 1-5 |
|
|
| 1.3.6 | Mineral Resource Estimate |
| 1-5 |
|
|
| 1.3.7 | Mineral Reserve Estimate |
| 1-5 |
|
|
| 1.3.8 | Mining Methods |
| 1-5 |
|
|
| 1.3.9 | Mineral Processing |
| 1-5 |
|
|
| 1.3.10 | Infrastructure |
| 1-5 |
|
|
| 1.3.11 | Market Studies |
| 1-5 |
|
|
| 1.3.12 | Environmental Permitting |
| 1-6 |
|
| 2.0 | INTRODUCTION |
| 2-1 |
|
|
| 2.1 | Site Visit |
| 2-1 |
|
|
| 2.2 | Sources of Information |
| 2-1 |
|
|
| 2.3 | List of Abbreviations |
| 2-2 |
|
| 1-1 |
| 3.0 | PROPERTY DESCRIPTION |
| 3-1 |
|
|
| 3.1 | Location |
| 3-1 |
|
|
| 3.2 | Ownership and Holdings |
| 3-1 |
|
|
| 3.3 | Royalty |
| 3-7 |
|
|
| 3.4 | Permit Requirements |
| 3-7 |
|
|
| 3.5 | Encumbrances and Other Risks |
| 3-7 |
|
| 4.0 | ACCESSIBILITY, CLIMATE, LOCAL RESOURCES, INFRASTRUCTURE AND PHSYIOGRAPHY |
| 4-1 |
|
|
| 4.1 | Accessibility |
| 4-1 |
|
|
| 4.2 | Climate |
| 4-1 |
|
|
| 4.3 | Local Resources and Infrastructure |
| 4-1 |
|
|
| 4.4 | Physiography and Environment |
| 4-2 |
|
| 5.0 | HISTORY |
| 5-1 |
|
|
| 5.1 | Location of District |
| 5-1 |
|
|
| 5.2 | Historic Gold Mining |
| 5-1 |
|
|
| 5.3 | Historical Mineral Resource Estimates |
| 5-2 |
|
|
| 5.4 | New Jersey Mining Company (IDR 2003-2012) |
| 5-2 |
|
|
| 5.5 | Golden Chest LLC (2010-2015) |
| 5-2 |
|
|
| 5.6 | Micon NI 43-101 (2011 and 2012) |
| 5-2 |
|
|
| 5.7 | Juniper Mining Company (2013) |
| 5-3 |
|
|
| 5.8 | Idaho Strategic Resources (2016-Present) |
| 5-3 |
|
| 6.0 | GEOLOGICAL SETTING, MINERALIZATION, AND DEPOSIT |
| 6-1 |
|
|
| 6.1 | Regional Geology |
| 6-1 |
|
|
| 6.1.1 | Belt Supergroup |
| 6-1 |
|
|
| 6.2 | Local Geology |
| 6-2 |
|
|
| 6.2.1 | Lithology |
| 6-2 |
|
|
| 6.2.2 | Structure |
| 6-3 |
|
|
| 6.3 | Property Geology |
| 6-5 |
|
|
| 6.3.1 | Lithology |
| 6-5 |
|
|
| 6.3.2 | Structure |
| 6-6 |
|
|
| 6.4 | Mineralization and Alteration |
| 6-7 |
|
|
| 6.4.1 | Vein Types |
| 6-8 |
|
|
| 6.4.2 | Vein Names and Locations |
| 6-9 |
|
|
| 6.4.3 | Lithologic Control of Veins |
| 6-10 |
|
| 1-2 |
|
| 6.4.4 | Vein Mineralization |
| 6-11 |
|
|
| 6.4.5 | Wall Rock Alteration |
| 6-12 |
|
|
| 6.5 | Deposit Type |
| 6-13 |
|
|
| 6.5.1 | Orogenic |
| 6-13 |
|
|
| 6.5.2 | Age and Genesis |
| 6-13 |
|
| 7.0 | EXPLORATION |
| 7-1 |
|
|
| 7.1 | Drilling |
| 7-2 |
|
|
| 7.1.1 | Vertical Continuity |
| 7-2 |
|
|
| 7.1.2 | Drill Hole Surveys |
| 7-2 |
|
|
| 7.1.3 | Drill Hole Sampling |
| 7-3 |
|
|
| 7.3 | Hydrogeology Data |
| 7-3 |
|
| 8.0 | SAMPLE PREPARATION, ANALYSES, AND SECURITY |
| 8-1 |
|
|
| 8.1 | Laboratory Accreditation and Certification |
| 8-1 |
|
|
| 8.2 | Sample Quality Assurance and Quality Control (QA/QC) |
| 8-1 |
|
|
| 8.2.1 | Blanks |
| 8-1 |
|
|
| 8.2.2 | Standard – 3 gpt |
| 8-1 |
|
|
| 8.2.3 | Standard – 4 gpt |
| 8-2 |
|
|
| 8.2.4 | Standard – 8 gpt |
| 8-3 |
|
|
| 8.2.5 | Standard—7 gpt |
| 8-3 |
|
|
| 8.2.6 | Standard—9 gpt |
| 8-4 |
|
|
| 8.3 | Sample Preparation |
| 8-5 |
|
|
| 8.4 | Sample Analysis |
| 8-5 |
|
|
| 8.5 | Security |
| 8-5 |
|
|
| 8.6 | QP Comments on Sample Collection, Preparation, QA/QC, Analysis and Security |
| 8-6 |
|
| 9.0 | DATA VERIFICATION |
| 9-1 |
|
|
| 9.1 | Database Procedures |
| 9-1 |
|
|
| 9.2 | Validation Procedures |
| 9-1 |
|
|
| 9.2.1 | Micon Historic Database Validation |
| 9-2 |
|
|
| 9.3 | Validation Limitations and QP Comments |
| 9-2 |
|
| 10.0 | MINERAL PROCESSING AND METALLURGICAL TESTING |
| 10-1 |
|
|
| 10.1 | New Jersey Mill 100 TPD Metallurgical Testing |
| 10-1 |
|
|
| 10.2 | Resource Development Inc. Metallurgical Testing |
| 10-2 |
|
|
| 10.3 | H-Vein Flotation Testing by Blue Coast Research |
| 10-3 |
|
| 1-3 |
| 11.0 | MINERAL RESOURCE ESTIMATES |
| 11-1 |
|
|
| 11.1 | Summary |
| 11-1 |
|
|
| 11.2 | Estimation of Veins at the Golden Chest |
| 11-3 |
|
|
| 11.2.1 | General Methodology |
| 11-3 |
|
|
| 11.2.2 | Resource Database |
| 11-4 |
|
|
| 11.2.3 | Geological Modelling |
| 11-4 |
|
|
| 11.2.4 | Exploratory Data Analysis |
| 11-5 |
|
|
| 11.2.5 | Grade Capping |
| 11-7 |
|
|
| 11.2.6 | Compositing |
| 11-9 |
|
|
| 11.2.7 | Geostatistics |
| 11-12 |
|
|
| 11.2.8 | Block Model Geometry |
| 11-13 |
|
|
| 11.2.9 | Search and Interpolation Parameters |
| 11-14 |
|
|
| 11.2.10 | Density |
| 11-15 |
|
|
| 11.2.11 | Classification |
| 11-15 |
|
|
| 11.2.12 | Cut-off Grade |
| 11-17 |
|
|
| 11.2.13 | Validation |
| 11-17 |
|
|
| 11.2.13.3 | Swath Plots (Drift Analysis) |
| 11-19 |
|
| 12.0 | MINERAL RESERVE ESTIMATES |
| 12-1 |
|
|
| 12.1 | Summary |
| 12-1 |
|
|
| 12.2 | Conversion to Mineral Reserves |
| 12-3 |
|
|
| 12.3 | Cut-Off Grade |
| 12-4 |
|
|
| 12.4 | Dilution |
| 12-4 |
|
|
| 12.5 | Extraction |
| 12-4 |
|
|
| 12.6 | Reconciliation |
| 12-4 |
|
| 13.0 | MINING METHODS |
| 13-1 |
|
|
| 13.1 | Mining Operations – Underground |
| 13-1 |
|
|
| 13.1.1 | Cut-and-fill Method, Skookum Shoot |
| 13-2 |
|
|
| 13.2 | Ground Stability |
| 13-2 |
|
|
| 13.2.1 | Operating Practices |
| 13-3 |
|
|
| 13.3 | Underground Development |
| 13-4 |
|
|
| 13.3.1 | Ground Support |
| 13-4 |
|
|
| 13.3.2 | Development Performance |
| 13-4 |
|
|
| 13.4 | Backfill |
| 13-4 |
|
| 1-4 |
|
| 13.5 | Mine Equipment |
| 13-5 |
|
|
| 13.6 | Mine Infrastructure |
| 13-5 |
|
|
| 13.7 | Open Pit Mining Operations |
| 13-6 |
|
| 14.0 | PROCESSING AND RECOVERY METHODS |
| 14-1 |
|
|
| 14.1 | Crushing Circuit |
| 14-1 |
|
|
| 14.2 | Grinding Circuit |
| 14-1 |
|
|
| 14.3 | Flotation Circuit |
| 14-1 |
|
|
| 14.4 | Tailings Circuit |
| 14-1 |
|
|
| 14.5 | Mill Production |
| 14-2 |
|
|
| 14.6 | Mill Workforce |
| 14-3 |
|
| 15.0 | INFRASTRUCTURE |
| 15-1 |
|
|
| 15.1 | Roads and Logistics |
| 15-1 |
|
|
| 15.2 | Mine Layout |
| 15-2 |
|
|
| 15.2.1 | Waste Rock Storage |
| 15-3 |
|
|
| 15.2.2 | Tailings Disposal |
| 15-3 |
|
|
| 15.2.3 | Power |
| 15-3 |
|
| 16.0 | MARKET STUDIES |
| 16-1 |
|
|
| 16.1 | Market Overview |
| 16-1 |
|
|
| 16.2 | Commodity Price Projections |
| 16-1 |
|
|
| 16.3 | Contracts |
| 16-1 |
|
| 17.0 | ENVIRONMENTAL STUDIES, PERMITTING, AND PLANS, NEGOTIATIONS, OR AGREEMENTS WITH LOCAL INDIVIDUALS OR GROUPS |
| 17-1 |
|
|
| 17.1 | Environmental Studies and Permitting |
| 17-1 |
|
|
| 17.2 | Surface Mine Permit |
| 17-1 |
|
|
| 17.3 | Tailings Storage Facility (TSF) Permit |
| 17-2 |
|
|
| 17.4 | Cyanidation Permit |
| 17-2 |
|
|
| 17.5 | Stormwater Permits |
| 17-2 |
|
|
| 17.6 | Community and Social Aspects |
| 17-2 |
|
|
| 17.7 | Comments on Environmental Permitting and Monitoring |
| 17-2 |
|
| 18.0 | CAPITAL AND OPERATING COSTS |
| 18-1 |
|
|
| 18.1 | Capital Costs |
| 18-1 |
|
|
| 18.2 | Operating Costs |
| 18-1 |
|
| 1-5 |
| 19.0 | ECONOMIC ANALYSIS |
| 19-1 |
|
|
| 19.1 | Economic Criteria |
| 19-1 |
|
|
| 19.1.1 | Physicals |
| 19-1 |
|
|
| 19.1.2 | Estimation Parameters |
| 19-1 |
|
|
| 19.1.3 | Taxation and Royalties |
| 19-1 |
|
|
| 19.2 | Cash Flow Analysis |
| 19-1 |
|
|
| 19.3 | Sensitivity Analysis |
| 19-2 |
|
| 20.0 | ADJACENT PROPERTIES |
| 20-1 |
|
| 21.0 | OTHER RELEVANT DATA AND INFORMATION |
| 21-1 |
|
| 22.0 | INTERPRETATION AND CONCLUSIONS |
| 22-1 |
|
|
| 22.1 | Geology and Mineral Resources |
| 22-1 |
|
|
| 22.2 | Mining and Mineral Reserves |
| 22-1 |
|
|
| 22.3 | Mineral Processing |
| 22-2 |
|
|
| 22.4 | Infrastructure |
| 22-2 |
|
|
| 22.5 | Environment |
| 22-2 |
|
| 23.0 | RECOMMENDATIONS |
| 23-1 |
|
|
| 23.1 | Geology and Mineral Resources |
| 23-1 |
|
|
| 23.2 | Mining and Mineral Reserves |
| 23-1 |
|
|
| 23.3 | Mineral Processing |
| 23-1 |
|
|
| 23.4 | Infrastructure |
| 23-1 |
|
|
| 23.5 | Environment |
| 23-1 |
|
| 24.0 | REFERENCES |
| 24-1 |
|
| 25.0 | RELIANCE ON INFORMATION PROVIDED BY THE REGISTRANT |
| 25-1 |
|
| 26.0 | DATE AND SIGNATURE PAGE |
| 26-1 |
|
| 27.0 | Appendix 1 General Statistics and Histograms for All Domains |
| 27-1 |
|
| 28.0 | Appendix 2 Variography for Golden Chest Domains |
| 28-1 |
|
Tables
| Table 1‑1 Golden Chest Projected Production for Four Years |
| 1-3 | ||
| Table 2‑1 - List of Abbreviations |
| 2-2 | ||
| Table 3‑1 List of patented claims at the Golden Chest Mine, as of December 31, 2025 |
| 3-3 | ||
| Table 3‑2 List of patented claims outside the core of the Golden Chest Mine, as of December 31, 2025 |
| 3-4 | ||
| Table 3‑3 List of Unpatented Claims at the Golden Chest Property |
| 3-6 | ||
| Table 3‑4 Permit Descriptions |
| 3-7 | ||
| 1-6 |
| Table 4‑1 Average Climate for Burke, ID 10km South of Golden Chest |
| 4-1 | ||
| Table 6‑1 Belt Supergroup Stratigraphy in the Mine Region (modified after Gott 1980) |
| 6-2 | ||
| Table 10‑1 RDI Flotation Test Results |
| 10-3 | ||
| Table 10‑2 H-Vein Head Sample Analysis |
| 10-4 | ||
| Table 10‑3 Select Results of Rougher Flotation Tests |
| 10-4 | ||
| Table 11‑1 2025 Golden Chest Mine Mineral Resources |
| 11-1 | ||
| Table 11‑2 Open Pit Resource (Included in the overall resource reported in table 11-1) |
| 11-2 | ||
| Table 11‑3 Golden Chest 2025 Domains that were estimated |
| 11-3 | ||
| Table 11‑4 Summary of Samples from the Golden Chest |
| 11-4 | ||
| Table 11‑5 Block Model Variables and Descriptions |
| 11-13 | ||
| Table 11‑6 Estimation Parameters |
| 11-14 | ||
| Table 11‑7 Golden Chest Resource Parameters |
| 11-16 | ||
| Table 11‑8 Cutoff calculation Inputs and results |
| 11-17 | ||
| Table 12‑1 Golden Chest Underground Proven and Probable Reserves at December 31st, 2025 |
| 11-1 | ||
| Table 12‑2 H Vein Portion of the 2025 Reserve |
| 12-2 | ||
| Table 12‑3 Idaho Vein Domain Portion of the 2025 Reserve |
| 12-2 | ||
| Table 12‑4 Paymaster Veins Portion of the 2025 Reserve |
| 12-2 | ||
| Table 12‑5 Jumbo Vein Portion of the 2025 Reserve |
| 12-3 | ||
| Table 12‑6 Go/No-Go Cut-off Parameters |
| 12-4 | ||
| Table 12‑7 H-Vein Test Mining Dilution by Stope |
| 12-4 | ||
| Table 13‑1 Development by Year and Company |
| 13-4 | ||
| Table 13‑2 Underground Mine Equipment List, Idaho Strategic Resources— |
| 13-5 | ||
| Table 13‑3 Idaho Pit Summary (August 2016-June 2020) |
| 13-6 | ||
| Table 14‑1 Mill Production Summary |
| 14-2 | ||
| Table 17‑1 Environmental Permits |
| 17-1 | ||
| Table 18‑1 Development Cost Estimates Associated with Reserves |
| 18-1 | ||
| Table 18‑2 2025 Annual Costs per Tonne and Mine Planning/Reserve Costs Used. |
| 18-2 | ||
| Table 19‑1 Underground Reserve Scenario Production Summary |
| 19-1 | ||
| Table 19‑2 Table of Golden Chest Underground Reserve Cash Flows |
| 19-2 | ||
Figures
| Figure 3‑1 Golden Chest Mine and New Jersey Mill Location Map |
| 3-1 | ||
| Figure 3‑2 Patented and unpatented claim locations |
| 3-2 | ||
| Figure 6‑1 Geologic Provinces of Idaho (Idaho State University 2017) |
| 6-1 | ||
| Figure 6‑2 Prichard Formation (Tan), Gem Stocks (Pink), Major Fault Lineaments (Blue) and Trout Creek Anticline (Black). | 6-3 |
| ||
| Figure 6‑3 Regional Geologic Map |
| 6-4 | ||
| Figure 6‑4 Mine Geologic Map |
| 6-6 | ||
| Figure 6‑5 Banded Vein Example |
| 6-8 | ||
| Figure 6‑6 Brecciated Vein Example |
| 6-9 | ||
| Figure 6‑7 Massive Vein Example |
| 6-9 | ||
| Figure 6‑8 Vertical Cross-Section of Vein Location |
| 6-10 | ||
| Figure 6‑9 Gold-Sphalerite-Galena-Pyrite-Quartz Vein from the 941 Level |
| 6-11 | ||
| 1-7 |
| Figure 6‑10 Intrusive Related Orogenic Model (modified after Groves et al. 1998) |
| 6-14 | ||
| Figure 7‑1 Planview of Golden Chest Drill Traces |
| 7-1 | ||
| Figure 8‑1 Drill Sampling 3 gpt Standard QA/QC Tracking |
| 8-1 | ||
| Figure 8‑2 Drill Sampling 4 gpt (4N) Standards Control Chart |
| 8-2 | ||
| Figure 8‑3 Drill Sampling 4gpt (4M) Standard Control Chart |
| 8-2 | ||
| Figure 8‑4 Drill Sampling 8 gpt Standards QA/QC Tracking |
| 8-3 | ||
| Figure 8‑5 Drill Sampling 7 gpt (7J) Standard Control Chart |
| 8-3 | ||
| Figure 8‑6 Drill Sampling 7gpt (7M) Standard Control Chart |
| 8-4 | ||
| Figure 8‑7 9 gpt Standard |
| 8-4 | ||
| Figure 8‑8 Mine Office/Core Shed Building |
| 8-6 | ||
| Figure 10‑1 Aerial View of New Jersey Mill |
| 10-1 | ||
| Figure 10‑2 New Jersey Mill 100 TPD Flowsheet |
| 10-2 | ||
| Figure 11‑1 2025 Vein Shapes with Drill Traces |
| 11-5 | ||
| Figure 11‑2 Histogram and General Statistics of the H-Vein within the H-Vein Domain |
| 11-6 | ||
| Figure 11‑3 Histogram and General Statistics of the Paymaster Footwall (Idaho) Vein |
| 11-6 | ||
| Figure 11‑4 CDF of the H Vein Composite Database |
| 11-8 | ||
| Figure 11‑5 Histogram of H-Vein Domain Blocks |
| 11-8 | ||
| Figure 11‑6 CDF and General Statistics of H-Vein Chip Samples |
| 11-9 | ||
| Figure 11‑7 Cumulative Frequency Chart of Sampling Lengths in the Golden Chest Database |
| 11-10 | ||
| Figure 11‑8 Histogram of Sample Lengths for the Golden Chest Database |
| 11-10 | ||
| Figure 11‑9 Histogram of composite lengths for the H-Vein |
| 11-11 | ||
| Figure 11‑10 Histogram of Paymaster Footwall (Idaho) Composite Lengths |
| 11-12 | ||
| Figure 11‑11 Idaho Vein variogram model with pair counts. Major and minor axis illustrate ranges in the 55–60-meter range | 11-13 |
| ||
| Figure 11‑12 Measured Portion of the H Vein Block Model |
| 11-16 | ||
| Figure 11‑13 Visual Validation Slice of the 2025 Updated H-Vein Model. Composite runs 15 gpt while the nearest block runs 17gpt. | 11-18 |
| ||
| Figure 11‑14 Comparison of Composite Means versus Block Means by Domain |
| 11-19 | ||
| Figure 11‑15 Swath Plot of H-Vein. Composites (Red) versus Blocks (Blue) |
| 11-19 | ||
| Figure 11‑16 Swath Plot of Paymaster Hangingwall Vein. Composites (Red) versus Blocks (Blue) |
| 11-20 | ||
| Figure 11‑17 Swath Plot of Idaho Vein. Composites (Red) versus Blocks ( |
| 11-21 | ||
| Figure 11‑18 Swath Plot of Jumbo Vein. Composites (Red) versus Blocks (Blue) |
| 11-22 | ||
| Figure 11‑19 Swath Plot of Bush Vein. Composites (Red) versus Blocks (Blue) |
| 11-23 | ||
| Figure 11‑20 Swath Plot of Popcorn Vein. Composites (Red) versus Blocks (Blue) |
| 11-24 | ||
| Figure 11‑21 Swath Plot of 31 Vein. Composites (Red) versus Blocks (Blue) |
| 11-25 | ||
| Figure 11‑22 Swath Plot of 37 Vein. Composites (Red) versus Blocks (Blue) |
| 11-26 | ||
| Figure 13‑1 Map Showing Golden Chest Workings Outline |
| 13-1 | ||
| Figure 14‑1 New Jersey Mill Flowsheet |
| 14-2 | ||
| Figure 15‑1 Infrastructure Layout. |
| 15-2 | ||
| Figure 19‑1 Sensitivity Analysis of Golden Chest Underground Reserves |
| 19-3 | ||
| Figure 20‑1 Map of Adjacent Properties |
| 20-1 | ||
| Figure 27‑1 H-Vein Composite Statistics |
| 27-1 | ||
| Figure 27‑2 Paymaster Hangingwall Vein Composite Statistics |
| 27-1 | ||
| Figure 27‑3 Paymaster Footwall Vein Composite Statistics |
| 27-2 | ||
| 1-8 |
| Figure 27‑4 Paymaster Hangingwall Splay Vein Composite Statistics |
| 27-3 | ||
| Figure 27‑5 Jumbo Vein Composite Statistics |
| 27-3 | ||
| Figure 27‑6 Bush Vein Composite Statistics |
| 27-3 | ||
| Figure 27‑7 Bush Splay Composite Statistics |
| 27-4 | ||
| Figure 27‑8 31 Vein Composite Statistics |
| 27-4 | ||
| Figure 27‑9 37 Vein Composite Statistics |
| 27-5 | ||
| Figure 27‑10 Popcorn Vein Composite Statistics |
| 27-5 | ||
| Figure 27‑11 Klondike Hangingwall Composite Statistics |
| 27-6 | ||
| Figure 28‑1 Skookum Area Jumbo Vein Experimental Variogram with Modeled Variogram |
| 28-1 | ||
| Figure 28‑2 Skookum Area H Vein Experimental Variogram with Modeled Variogram |
| 28-1 | ||
| Figure 28‑3 Skookum Zone Footwall Domain Experimental Variogram and Modeled Variogram |
| 28-2 | ||
| Figure 28‑4 Paymaster Area Idaho Vein Experimental Variogram with Modeled Variogrom |
| 28-2 | ||
| Figure 28‑5 Paymaster Area Jumbo Vein Experimental Variogram with Modeled Variogram |
| 28-3 | ||
| Figure 28‑6 Klondike Hangingwall Experimental Variogram with Modeled Variogram |
| 28-3 | ||
| Figure 28‑7 Klondike Zone Popcorn Vein Experimental Variogram with Modeled Variogram |
| 28-4 | ||
| 1-9 |
1.0 EXECUTIVE SUMMARY
1.1 Summary
This Technical Report Summary (TRS) on the Golden Chest Mine, Idaho (Golden Chest, property, or mine) has been prepared for Idaho Strategic Resources, Inc. (IDR) by the Qualified Persons (QP’s) Grant A. Brackebusch, P.E., Robert J. Morgan, PG, PLS, and Andrew A. Brackebusch, P.E. All three are employees of IDR. Grant Brackebusch is the Vice President of Operations, Rob Morgan is the Vice President of Exploration, and Andrew Brackebusch is the Mine Engineer.
The purpose of this report is to disclose Mineral Reserves and Mineral Resources at the Golden Chest Mine as of December 31, 2025.
IDR is listed on the NYSE and currently reports Mineral Reserves in its Annual Report on Form 10-K with the United States Securities and Exchange Commission (SEC). This TRS conforms to SEC’s Modernized Property Disclosure Requirements for Mining Registrants as described in Subpart 229.1300 of Regulation S-K, Disclosure by Registrants Engaged in Mining Operations (S-K 1300) and Item 601 (b)(96) Technical Report Summary.
The Golden Chest Mine is narrow-vein underground gold mine located in Murray, Idaho, which produces approximately 40,000 tonnes of ore annually to feed the New Jersey Mill in Kellogg, Idaho. The Golden Chest has operated continually since 2016. The New Jersey Mill produces a bulk sulfide flotation concentrate which is shipped to overseas smelters.
1.1.1 Conclusions
The QP’s offer the following interpretations and conclusions by area.
Geology and Mineral Resources
| ·
| The Company has completed a Mineral Resource Estimate for the year ending December 31, 2025, which has been reviewed and accepted by the QP’s. Measured and Indicated Resources at the Golden Chest Mine total 1,086,503 tonnes at a grade of 4.09 grams per tonne (gpt) gold with Inferred Resources totaling 528,878 tonnes at a grade of 2.98 gpt gold. Mineral Resources are exclusive of Mineral Reserves. | |
| · | Core sampling is supervised by a professional geologist and sampling procedures meet industry best practices. | |
| · | The sample preparation, security, and analytical procedures for core samples were consistent with generally accepted industry best practices. | |
| · | The QA/QC procedures for core samples are consistent with generally accepted industry standards. However, a persistent, low bias in assay results was found in the 3 gpt and 4 gpt standard. But in the second half of 2025 it appears that the low bias was no longer present. | |
| · | Blanks and standards are now included with round samples from the stope rounds on a weekly basis. | |
| · | The QP’s review of database validation yielded no deficient procedures or data. The sample database is valid for reserve and resource calculations. |
| 1-0 |
Mining and Mineral Reserves
| ·
| The Mineral Reserve estimate has been reviewed by the QP’s and found to be in accordance with the definitions for Mineral Reserves in S-K 1300. Mineral Reserves at December 31, 2025, are 338,521 tonnes at an average grade of 6.95 gpt gold using a gold price of $2,580 per troy ounce. | |
| · | About two-thirds of the Mineral Reserves are in the Paymaster Veins, with the remainder split nearly equally between the H-Vein and Jumbo Vein. | |
| · | Mineral Reserves are prepared by qualified personnel with appropriate supervision using industry-standard mining software. | |
| · | The QP’s believe the use of a trailing three-year average gold price is appropriate and consistent with generally accepted practices within the mining industry. | |
| · | The mining methods in the stopes at the Golden Chest are underhand cut-and-fill utilizing cemented rock fill (CRF), and overhand cut-and-fill utilizing uncemented gob fill. | |
| · | The mining methods are appropriate for this type of vein deposit and the ground conditions with average minimum widths of 2.4 m in the H-Vein stopes and an average stope width of 3.0 m in the Paymaster and Jumbo stopes. | |
| · | The Mineral Reserve is based on underhand cut-and-fill and overhand cut-and-fill where appropriate. | |
| · | Block model planned stope grades in the H-Vein agree well with mill grades observed during the 2025 mill production which was sourced completely from H-Vein Stopes. | |
| · | Dilution is accounted for in the Mineral Reserve estimate and extraction is assumed to be 100%. | |
| · | The ground support plan with the use of Swellex-bolts in conjunction with cemented rock fill (CRF) has improved geotechnical stope stability of the Idaho Vein. The H-Vein ground conditions are considerably better than the Idaho Vein and require less support. | |
| · | The mine uses 1.5 m3 rubber-tired LHDs along with diesel-hydraulic drill jumbos and two underground dump trucks (22 tonne capacity and 30 tonne capacity). |
Mineral Processing
| · | Material is shipped from the Golden Chest Mine in Murray, Idaho to the New Jersey Mill in Kellogg, Idaho for processing using highway dump trucks with pups. | |
|
|
|
|
|
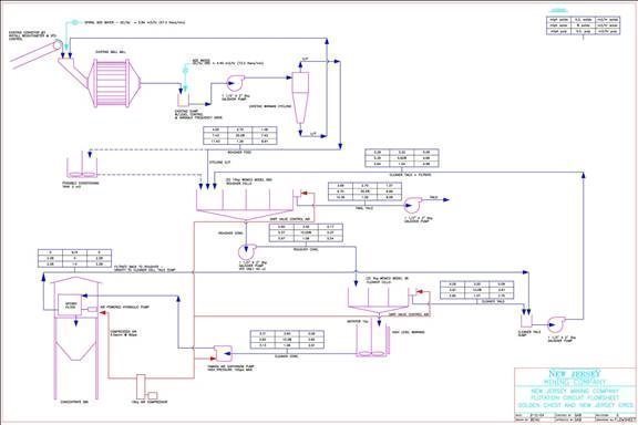
| · | The New Jersey Mill operates as a bulk flotation plant at a rate of approximately 40,000 tonnes per year to produce a bulk-sulfide concentrate for sale to copper smelters in Asia. |
|
|
|
|
|
| · | The mill has processed 372,350 tonnes of material from the Golden Chest open pit and underground and achieved gold recovery of 90.0% with an average concentrate grade of 317 gpt gold. |
| 1-1 |
| · | The mill has achieved higher gold recovery of 93% for straight underground material. This is appropriate gold recovery to use for underground Mineral Reserve estimates. | |
| · | Previous campaigns of processing material from the Golden Chest at the 100 tpd New Jersey Mill from 2005 to 2009 provided metallurgical testing information at a bulk-sample scale. | |
| · | RDI performed metallurgical testing evaluating gravity, flotation, and cyanidation processes using core samples from the Skookum Shoot. | |
| · | Blue Coast Research performed flotation test work on H-Vein material that demonstrated slightly higher gold recoveries could be achieved with a finer grind. | |
| · | The New Jersey Mill utilizes the novel process of paste tailings disposal and recycles process water to minimize its impact on the environment. |
Infrastructure
| · | The Golden Chest Mine is accessible all year round via a paved highway known as Forest Highway 9 and has all the necessary infrastructure to mine at the current rate. | |
| · | The local utility (Avista Utilities) has completed an upgrade to the electrical service at the Golden Chest that added 500 kVA to the existing 500 kVA service. |
Environment
| · | The Golden Chest Mine and New Jersey Mill have all the necessary environmental permits to operate. | |
| · | The Company has posted bonds to cover the cost of reclamation at both the Golden Chest and New Jersey Mill. | |
| · | The Company promotes a “We Live Here” philosophy which encourages a commitment to the environment because employees and management all live and recreate in the local area. Local hiring and buying are also encouraged under this philosophy. |
1.1.2 Recommendations
The QP’s offer the following recommendations by area.
Geology and Mineral Resources
| 1. | Continue to drill each vein identified at the Golden Chest as all are open to define increased resources. |
Mining and Mineral Reserves
| 1. | Evaluate other geostatistical methods such as Kriging and try to optimize grade estimation. | |
| 2. | Complete the construction of a paste backfill system for the potential to reduce operating costs. | |
| 3. | Attempt to expand Mineral Resources and Reserves with more core drilling targeting the H-Vein, Paymaster Veins, and Klondike – (Red Star) area. |
| 1-2 |
Mineral Processing
| 1. | Consider hiring a metallurgical engineer to manage the mill and metallurgical programs as the scope of the entire operation has increased. |
Infrastructure
| 1. | Complete the construction to add another 1,000 kVA electrical service to the Golden Chest which would result in a 2,000 kVA service at the property. |
Environment
| 1. | Consider hiring a full-time environmental professional or environmental contractor as the scope of operations has increased. |
1.2 Economic Analysis
1.2.1 Economic Criteria
IDR completed a six-year cash flow analysis for the Mineral Reserve using current mining rates and only Proven and Probable Reserves to produce a reasonable estimate of future cash flows for the Golden Chest Mine.
1.2.2 Physical Parameters
| · | Total mill feed processed: 338,521 tonnes | |
| · | Average processing rate: 130 metric tonnes per shift |
Table 1‑1 Golden Chest Projected Production for Four Years
|
Commodity |
Head Grade |
Mill % Recovery |
Mill Recovered Au (Grams) |
Mill Recovered Au (Troy oz) |
|
Au |
6.95 |
93 |
2,186,330 |
70,300 |
1.2.3 Revenue Parameters
| · | Gold price used in the economic analysis is a constant $2,580 per troy ounce representing a 3-year trailing average (2023, 2024, 2025). | |
| · | Constant smelter payment factor of 91% | |
| · | Constant Net of Smelter Royalty (NSR) of 2% |
1.2.4 Operating and Capital Costs
| · | Constant Net of Smelter Royalty (NSR) of 2% | |
| · | Ore haulage cost of $16.00 per tonne | |
| · | Milling cost of $60.00 per tonne | |
| · | Ore mining with fill of $190.00 per tonne |
| 1-3 |
| · | Development cost of $60.00 per tonne | |
| · | General and Administrative cost of $15.00 per tonne | |
| · | Capital costs of $30,860,000 for a new mill and sustaining mine equipment for the reserve life | |
| · | Mine life of six years |
1.2.5 Taxes and Royalties
Idaho Strategic Resources pays property tax in Shoshone County and occasionally a Net Profit Tax to Shoshone County. Some income tax is anticipated to be payable in the next year as IDR has earned significant net income in the last several years.
The current production zone is subject to a 2% NSR royalty payable to Calibre Mining which is included in the estimate. Property taxes and net profit tax paid to Shoshone County are minor compared to the 2% NSR and are negligible in this analysis.
1.2.6 Cash Flow
The results of this analysis indicate a positive cash flow of approximately $29,515,000 at the base case. Capital requirements are paid within a year and the positive cash flow indicates economic viability at the base case $2,580 per troy ounce gold price. See Table 19-2 for more details.
1.2.7 Sensitivity
The sensitivity analysis found that gold mill recovery, smelter payment factor, gold grade, and gold price are the most sensitive variables in the estimate.
1.3 Technical Summary
1.3.1 Property Description
The Golden Chest Mine’s production operations are located 2.4 km east of Murray, Idaho along Forest Highway 9. The mine is an underground cut-and-fill gold property exploiting a narrow, quartz vein orogenic gold system. The Golden Chest produces about 40,000 tonnes of ore annually utilizing underhand cut-and-fill and overhand cut-and-fill mining methods. The ore is processed at the New Jersey Mill in Kellogg, Idaho to produce a bulk-sulfide concentrate for sale to smelters in Asia. The rest of the project lies immediately northwest, north, and northeast of the town of Murray, ID.
1.3.2 Land Tenure
The Company owns 100% of the Golden Chest mine and the core land position is comprised of both patented 182 hectares (449 acres) and unpatented claims 563 hectares (1,390 acres) subject to a 2% Net Smelter Royalty (NSR). The Company owns an additional 425 hectares (1,051 acres) of patented land and 1,178 hectares (2,910 acres) of unpatented claims, immediately north and west of Murray, that are not subject to any NSR.
1.3.3 History
The Golden Chest Mine is the oldest lode gold mine in the Coeur d’Alene District. Historic reports indicated estimated production of the Golden Chest at 65,000 ounces of gold produced before 1940. Post 1940 gold production is estimated to be approximately 68,000 ounces with this production occurring after 2004.
| 1-4 |
1.3.4 Geologic Setting, Mineralization, and Deposit
The Golden Chest property is dominated by lithologies of the Prichard Formation representing the base of the Mesoproterozoic Belt Supergroup. The Prichard is made up of a series of metamorphosed marine basin sediments consisting of siltite, argillite, and quartzite. The Golden Chest is an orogenic gold deposit with mineralization hosted in quartz-gold veins near a major local fault. The primary geological controls to mineralization at the Golden Chest are the Idaho Fault and the Timber King Fault with gold mineralization occurring within 50 meters of fault structures.
1.3.5 Exploration
Currently IDR is conducting exploratory core drilling on the property with the aim to increase the Mineral Resource and help define the Mineral Reserve.
1.3.6 Mineral Resource Estimate
The Company has completed a Mineral Resource Estimate for the year ending December 31, 2025. Measured and Indicated Resources at the Golden Chest Mine total 1,086,503 tonnes at a grade of 4.09 gpt gold with Inferred resources totaling 582,878 tonnes at a grade of 2.98 gpt gold. Mineral Resources are exclusive of the Mineral Reserves.
1.3.7 Mineral Reserve Estimate
Mineral Reserve estimates, prepared by IDR and reviewed and accepted by the QP’s, have been classified in accordance with the definitions for Mineral Reserves in S-K 1300 and are estimated to be 338,521 tonnes at a grade of 6.95 gpt gold.
1.3.8 Mining Methods
The Golden Chest Mine is accessed by a decline ramp 4.5 m by 4.0 m in cross-section. A northern ramp provides exhaust ventilation and a secondary escapeway. The vein is mined by underhand cut-and-fill utilizing cemented rock fill (CRF) as backfill and overhand cut-and-fill utilizing uncemented gob fill. Ore and waste are transported to the surface via the main ramp with 30-tonne and 22-tonne haul trucks.
1.3.9 Mineral Processing
The New Jersey Mill located 3 km east of Kellogg, Idaho has processed material from the Golden Chest since 2016 from both open pit and underground sources at a rate of about 280 tpd for 3.5 days per week. The New Jersey Mill uses a conventional bulk sulfide flotation flowsheet utilizing crushing, grinding, flotation, and paste tailings disposal. Concentrate is shipped to copper smelters in Asia.
1.3.10 Infrastructure
The Golden Chest mining operations have been ongoing since 2012 and infrastructure at the site includes 2,000 meters of underground ramp, 1,000 kVA electrical service, a core shed, a mine dry, and a shop building. Year-round access to the mine is provided by Forest Highway 9 which is maintained by Shoshone County.
1.3.11 Market Studies
The Golden Chest produces a bulk sulfide concentrate sold to copper smelters in Asia through a concentrate broker and has sold concentrate in this fashion since 2016.
| 1-5 |
1.3.12 Environmental Permitting
The Golden Chest Mine and New Jersey Mill have all the necessary environmental permits to operate. The New Jersey Mill utilizes a unique tailings disposal method known as paste tailings disposal that allows process water recycling and prevents the discharge of process water to surface waters of the US.
| 1-6 |
2.0 INTRODUCTION
This Technical Report Summary (TRS) on the Golden Chest Mine (Golden Chest, property, or mine) has been prepared for Idaho Strategic Resources, Inc. (IDR) by the Qualified Persons (QP’s) Grant A. Brackebusch, P.E. and Robert J. Morgan, PG, PLS, and Andrew Brackebusch P.E. All three are employees of IDR. Grant Brackebusch is the Vice President of Operations, Robert Morgan is the Vice President of Exploration, and Andrew Brackebusch is the Mine Engineer.
The purpose of this report is to disclose Mineral Reserves and Resources at the Golden Chest Mine as of December 31, 2025.
Idaho Strategic Resources, Inc. (IDR) is listed on the NYSE and currently reports Mineral Reserves and Resources in its Annual Report on Form 10K with the United States Securities and Exchange Commission (SEC). This TRS conforms to SEC’s Modernized Property Disclosure Requirements for Mining Registrants as described in Subpart 229.1300 of Regulation S-K, Disclosure by Registrants Engaged in Mining Operations (S-K 1300) and Item 601 (b)(96) Technical Report Summary.
2.1 Site Visit
The three QP’s are employees of IDR and spend a significant portion of their time at the mine and the mill so a site visit is unnecessary.
2.2 Sources of Information
During the preparation of this report discussions were held with the following personnel.
sgfget
| John Etienne | Chief Geologist, IDR |
| John Ferguson | Company Accountant, IDR |
| Rebecca Goddard | Exploration Geologist, IDR |
| Steve Piurkowsky | Geological Engineer, IDR |
| Josh Faass | Mine Geologist, IDR |
| Clayton La Monica | Mine Geologist, IDR |
| Matt Williams | Golden Chest Mine Foreman, IDR |
| Jared Williams | Golden Chest Mine Foreman, IDR |
Other sources of information can be found in Section 24.0 References.
| 2-1 |
2.3 List of Abbreviations
Table 2‑1 - List of Abbreviations
| Term | Abbreviation |
| Acres | ac |
| Ammonium Nitrate/Fuel Oil | ANFO |
| Bureau of Land Management | BLM |
| Canadian National Instrument 43-101 | NI 43-101 |
| Centimeter | cm |
| Concentrate Leach Plant | CLP |
| Cemented Rock Fill | CRF |
| Cubic meter(s) | m3 |
| Cubic meters per hour | m3/hr |
| Cyanide | CN |
| Meters | m |
| Degrees Celsius | oC |
| Direct Current | DC |
| Environmental Protection Agency | EPA |
| Fire assay | FA |
| Diameter | dia. |
| Global positioning system | GPS |
| Gram(s) | g |
| Grams per tonne | gpt, g/t |
| Grams per tonne of gold | g/t Au |
| Gold | Au |
| Golden Chest Limited Liability Company | GCLLC |
| Golden Chest Mine | “The Mine” |
| Hectare(s) | ha |
| Hour | hr |
| Idaho Department of Environmental Quality | IDEQ |
| Idaho Strategic Resources, Inc. | IDR |
| Juniper Mining Company | JMC |
| Kilogram | kg |
| Kilograms per tonne | kg/tonne |
| Kilometer(s) | km |
| Kilowatt | kW |
| Kilowatt Hour | kWh |
| Kilo-Volt-Ampere | kVa |
| Load-Haul-Dump loader | LHD |
| Main Access Ramp | MAR |
| Meter(s) | m |
| Meters above sea level | masl |
| Micron(s) | μm |
| Millimetre(s) | mm |
| Million | M |
| Million years old | Ma |
| Minute(s) | min |
| 2-2 |
| Term | Abbreviation |
| Net Smelter Royalty | NSR |
| New Jersey Mill | “The Mill” |
| North American Datum | NAD |
| Ounces per tonne | opt |
| Parts per million | ppm |
| Professional Geologist | PG |
| Professional Land Surveyor | PLS |
| Professional Engineer | PE |
| Quality Assurance | QA |
| Quality Assurance/Quality Control | QA/QC |
| Quality Control | QC |
| Qualified Person | QP |
| Reduced Intrusion-Related Gold System | RIRGS |
| Rock Storage Site | RSS |
| Second | s |
| Small Mine Development | SMD |
| Sodium cyanide | NaCN |
| Tailings Storage Facility | TSF |
| Tonne(s) | t |
| Tonnes per Day | tpd |
| Tonnes per hour | t/h |
| United States | US |
| United States Dollars | USD$ |
| Universal Transverse Mercator | UTM |
| 2-3 |
3.0 PROPERTY DESCRIPTION
3.1 Location
The Golden Chest Mine (Mine) has an area of 2,346 hectares (ha) (5,800 acres) and is located in Shoshone County, Idaho, United States. The mine is approximately centered at Latitude 47o37’14” North and Longitude 115o49’43” West (Figure 3-1). The mine is approximately 2.4 kilometers (km) east of the small town of Murray, Idaho and 115 km east of the city of Coeur d’ Alene, Idaho.
The New Jersey Mill (Mill) is located in Shoshone County, Idaho, United States approximately at Latitude 47o31’50” North and Longitude 116o04’38” West (Figure 3-1). The Mill is located approximately 21 km south of the town of Murray, Idaho and 3 km east of the city of Kellogg, Idaho.

Figure 3‑1 Golden Chest Mine and New Jersey Mill Location Map
3.2 Ownership and Holdings
The Golden Chest Mine is composed of patented and unpatented claims (Figure 3-2). The land position consists of 94 patented mining claims (Table 3-1) covering approximately 607 hectares (ha) (1,501 acres) and 217 unpatented claims covering a total of approximately 1,740 ha (3,360 acres).
| 3-1 |

Figure 3‑2 Patented and unpatented claim locations
The core of the Golden Chest Mine is a contiguous group of 34 patented claims where all modern mining has taken place to date. The Company owns the rights to both the surface and subsurface mineral on all patented claims directly and through it’s 100% held subsidiaries Golden Chest LLC (GCLLC), excluding the Joe Dandy Claim where IDR owns only the subsurface mineral rights. As these patented claims are considered private lots, legal access is allowed. Property taxes on patented claims are assessed by Shoshone County each year and IDR has paid the taxes in full. Table 3-1 below lists the patented claims that form the core of the Golden Chest Mine. Table 3-2 lists the patented claims outside of the core of the Golden Chest Site.
| 3-2 |
Table 3‑1 List of patented claims at the Golden Chest Mine, as of December 31, 2025

| 3-3 |
Table 3‑2 List of patented claims outside the core of the Golden Chest Mine, as of December 31, 2025
| Claim Name | Mineral Survey # | Hectares | Acres |
| Dream Gulch | 1196 | 8.17 | 20.2 |
| Niagara | 1306 | 2.59 | 6.4 |
| Grandchamp | 1772 | 7.65 | 18.9 |
| Hornet | 1772 | 5.54 | 13.7 |
| Golden King | 18 | 4.73 | 11.7 |
| Skookum | 19 | 3.84 | 9.5 |
| Grouse | 20 | 6.88 | 17 |
| Chas Long | 778 | 1.58 | 3.9 |
| Dixie | 778 | 1.82 | 4.5 |
| Nelson | 1027 | 1.66 | 4.1 |
| Kennedy | 1027 | 0.97 | 2.4 |
| Accident #2 | 1744 | 7.32 | 18.1 |
| Accident #3 | 1744 | 7.85 | 19.4 |
| No. 1 | 1744 | 7.77 | 19.2 |
| Gilbert | 1744 | 7.00 | 17.3 |
| Shields Fraction | 1744 | 6.84 | 16.9 |
| Confidence | 1744 | 7.97 | 19.7 |
| Highland | 1762 | 39.78 | 98.3 |
| Highland Extension | 1762 | 15.74 | 38.9 |
| New Era | 778 | 0.53 | 1.3 |
| Lots 3,4,5,6 | Former Gov't lots | 1.74 | 4.3 |
| Complete | 1786 | 26.87 | 66.4 |
| Deep Rim | 1157 | 2.59 | 6.4 |
| Wedge | 1157 | 5.95 | 14.7 |
| Minnie Lee | 1157 | 3.04 | 7.5 |
| Ninety Five | 1157 | 2.47 | 6.1 |
| Summit | 1157 | 3.08 | 7.6 |
| Gold Dust | 1744 | 5.71 | 14.1 |
| Bed Rock | 1157 | 5.99 | 14.8 |
| Wolf | 9 | 3.08 | 7.6 |
| Snow Bird | 1738 | 7.69 | 19 |
| McCormick | 1772 | 6.76 | 16.7 |
| Davison Tax Parcel MC0637 |
| 0.77 | 1.9 |
| LeFaivre | 1772 | 5.42 | 13.4 |
| 4th of July | 1739 | 28.21 | 69.7 |
| Dandy | 1739 | 7.53 | 18.6 |
| Burr, Stokes & Bidwell | 1739 | 6.43 | 15.9 |
| Park | 1739 | 6.43 | 15.9 |
| 3-4 |
| Cora Amended | 1064 | 1.46 | 3.6 |
| Alder No. 1 | 1769 | 5.42 | 13.4 |
| Big Ledge | 2252 | 6.60 | 16.3 |
| Lady Elgin | 1769 | 3.76 | 9.3 |
| Lucky Dog | 1769 | 7.16 | 17.7 |
| Kentucky | 1769 | 6.84 | 16.9 |
| Blue Bird | 1769 | 2.51 | 6.2 |
| small wedge N of BlueBird | Former Gov't lot | 0.20 | 0.5 |
| Lots 10,11,12 | Former Gov't lots | 15.82 | 39.1 |
| Evans | 1769 | 7.57 | 18.7 |
| Ida | 1769 | 5.87 | 14.5 |
| Vivian | 549 | 6.15 | 15.2 |
| Cahan | 1772 | 3.88 | 9.6 |
| Badger | 894 | 4.05 | 10 |
| Ivy | 2412 | 3.32 | 8.2 |
| Butte Creek Placer | 1679 | 30.72 | 75.9 |
| Birch | 1794 | 7.45 | 18.4 |
| Tamarack | 1794 | 4.86 | 12 |
| Chestnut | 1794 | 7.08 | 17.5 |
| Hickory | 1794 | 5.95 | 14.7 |
| Maple | 1794 | 4.13 | 10.2 |
| Blacktail Lode | 2298 | 8.26 | 20.4 |
| Moran Bar Tax Parcel MC0029A |
| 0.44 | 1.092 |
| Total |
| 425.04 | 1,050.3 |
IDR currently maintains 217 unpatented mining claims covering 1,740 ha (4,300 acres). The claims have been filed with the United States Bureau of Land Management (BLM) agency and at the Shoshone County Courthouse. Annual maintenance fees are paid to the BLM by September 1, and the Golden Chest unpatented claim fees have been paid and are in good standing. The unpatented mining claims are located on parcels of public land from which the claimant owns the mineral rights, however, no surface land ownership is conveyed. The table below lists the unpatented claims owned by IDR and GCLLC for the Golden Chest Project.
| 3-5 |
Table 3‑3 List of Unpatented Claims at the Golden Chest Property

| 3-6 |
3.3 Royalty
The Company owns 100% of the Golden Chest mine and the core land position is comprised of both patented (181.7 hectares [449 acres]) and unpatented claims (563 hectares [1,390 acres]) subject to a 2% Net Smelter Royalty (NSR) payable to Calibre Mining on a quarterly basis.
3.4 Permit Requirements
The Golden Chest Mine and New Jersey Mill have all the required environmental permits to operate currently and into the foreseeable future. Some permits may require modification if operating conditions change, but typically these changes can be completed without impeding the mining operation. A summary of the permits held by the Company are found in Table 3-4.
Table 3‑4 Permit Descriptions

3.5 Encumbrances and Other Risks
As mentioned earlier, IDR does not own the surface of the Joe Dandy claim, however the deed for the claim contains language granting the owner of the mineral rights the ability to work and operate on the claim to mine the quartz lode. The Company is not aware of any significant factors or risks that may affect access, title, or the right or ability to perform work on the property.
| 3-7 |
4.0 ACCESSIBILITY, CLIMATE, LOCAL RESOURCES, INFRASTRUCTURE AND PHSYIOGRAPHY
4.1 Accessibility
The Golden Chest Mine is accessible year-round via a paved road known as Forest Highway 9 - a distance of 56 kilometers (35 miles) from Kingston, Idaho. At Kingston, Forest Highway 9 merges with US Interstate 90 for easy access to the local communities of Kellogg, Wallace, and Coeur d’Alene.
4.2 Climate
The Golden Chest is located in northern Idaho, which has a mountain climate typical for temperate regions in the mid-latitudes that are influenced by both polar and tropical air masses typified by wet, cold winters and short, dry summers.
The nearest climate records are found from Burke, Idaho (1907-1967) which is located approximately 10 km south of the mine at a slightly higher elevation.
Table 4‑1 Average Climate for Burke, ID 10km South of Golden Chest

Average annual precipitation is 121.9 cm (48 inches), falling mainly in winter. Average annual snowfall is 616.9 cm (242 inches) and may occur in spring and fall as well as in winter.
During the winter, IDR is able to operate all season by plowing snow from the mine roads and utilizing tire chains on equipment when necessary. Forest Highway 9 is maintained all winter by Shoshone County.
4.3 Local Resources and Infrastructure
The Golden Chest Mine benefits from local human resources and services in the towns of Murray, Wallace, and Kellogg, Idaho which are located 2.4 km west, 18 km south, and 24 km southwest respectively of the mine. Wallace, with a population of 1,076 people in the 2020 census, is the county seat of Shoshone County.
The area has a long mining heritage as gold was discovered in Murray in 1882 and mining has continued to the present – mostly south of the Golden Chest in the Silver Valley. Current underground mining in the area is conducted by Hecla at the Lucky Friday Mine and Americas Gold and Silver Corporation at the Galena Mine. These historic and modern mining operations have resulted in an area that is familiar with and is equipped to support the mining industry. Experienced mining personnel and small business support are available.
| 4-1 |
4.4 Physiography and Environment
The topography of the mine area consists mainly of steep, mountainous terrain, which is primarily covered in mixed coniferous forest, except where recently burned. The mine is characterized by high relief, with elevations ranging from 880 meters above sea level (masl) at the Prichard Creek valley bottom to 1,220 masl on the ridges at the north end of the mine’s patented claim group.
The drainage pattern around the mine consists of dendritic perennial and intermittent watercourses that drain generally southwest. The dominant watercourses of the area are the North Fork of the Coeur d’ Alene River and Prichard Creek. The area is characterized by incised streams bounded by long steep ridges.
Timber consists mostly of pine, fir, cedar, and hemlock. Elk, deer and moose are the most common large mammals in the area. Other reported mammals in the surrounding area are black bear, wolf, and mountain lion. There are no known protected species within the mine area.
| 4-2 |
5.0 HISTORY
5.1 Location of District
The Golden Chest Mine is the oldest lode gold mine in the Coeur d’Alene District. The area commonly known as the Coeur d'Alene Mining District, has been subdivided for purposes of record and administration into a number of local mining districts. All of these subdivided local mining districts are in Shoshone County, Idaho. The Golden Chest Mine is more specifically located in the Summit Mining District within the Murray Gold Belt region of the greater Coeur d’Alene Mining District.
5.2 Historic Gold Mining
The first discovery of gold in the Coeur d’Alene District was made along the South Fork of the Coeur d’Alene River by Thomas Irwin in 1879. A.J. Prichard initiated the first active mining in 1882 when he staked out a number of placer claims for himself and his friends near the present site of Murray. The first lode claim in the district, the Paymaster, was located in September of 1883 and is now part of the Golden Chest.
By the end of 1883 and early in 1884, several mines were developed along Prichard Creek; the Mother Lode, Daddy, and Treasure Box mines on the creek’s south side, and the Golden Chest on the north side. By 1885, Murray had a population of about 1,500 with the Golden Chest and its 20-stamp mill employing 25 to 30 men. However, by 1886, with the discovery of the enormous lead-silver deposits at Bunker Hill, the scene of most mining activity had shifted to the South Fork of the Coeur d’Alene River near Kellogg. The Buckskin and King mines, on the Company’s land package northwest of Murray, were also active in the 1890’s. No gold production records from these two properties are known. The mining of lode quartz-gold veins had essentially ceased by 1910.
Prior to 1910, the Katie-Dora and Klondike Ore Shoots were accessed from the Katie #2, Katie #3, Martin, and Pettit Levels. After consolidation of the properties in 1910, the Idaho #3 level was completed at a lower elevation to access the deeper levels of the Katie-Dora and Klondike zones. Starting in late 1915, the Golden Chest was reopened as a source of tungsten (scheelite) for high-speed steels used in cutting tools designed for armament production in the First World War. The Anchor Mine, on IDR ground north of Murray, was actively producing lead, silver, and zinc during the same time period.
During the Depression, placer mining was considerably revived, and in 1933 and 1934 the Golden Chest was again active. Only a small amount of work was in progress and most of the historic underground gold mining was complete when P. Shenon, of the Idaho Bureau of Mines and Geology, visited the Golden Chest in 1935. Shenon reported that underground maps displayed over 4,000 m of drifts and crosscuts.
Historic reports indicate the estimated production of the Golden Chest at 65,000 ounces of gold produced before 1940. The first documented drilling program on the Golden Chest Mine was conducted between 1969 and 1973 by Golden Chest Incorporated (GCI). Drill tests by GCI included four underground holes and one surface diamond drill hole totaling 385 m. The surface hole intersected an 18 m zone containing multiple, low-grade gold-bearing quartz veins.
Newmont Exploration Limited (NEL) conducted exploration activities including mapping, sampling and drilling between 1987 and 1990. In 1987 and 1988, Newmont completed six core drill holes with depths to 175 m. In 1988 and 1989, an additional 29 reverse-circulation holes, with depths up to 130 m, were completed on the property. Newmont dropped the property in 1990, due to the property not fulfilling their requirements for an open pit resource.
| 5-1 |
5.3 Historical Mineral Resource Estimates
Newmont Exploration Limited (NEL) evaluated the Golden Chest for bulk mineable potential between 1987 and 1990. Newmont drilled six core holes totaling 734 total meters; and 29 reverse-circulation holes totaling 2,659 total meters. This work resulted in a mineral resource estimate as follows:
|
| · | Potential Open Pit Resource: 4,758,852 short tons grading 0.049 ounces per ton (opt) Au for 230,278 ounces of gold at cut-off grade of 0.02 opt Au. |
Since these “resources” are historical in nature, they cannot be relied upon. It is unlikely that these resource numbers conform to current SK 1300 criteria or to Society of Mining Metallurgy and Exploration (SME) standards, and most importantly they have not been verified to determine their relevance or reliability. However, they have been included into this section for illustrative purposes only and should not be disclosed out of context.
5.4 New Jersey Mining Company (IDR 2003-2012)
IDR leased the Golden Chest in 2003 and began a core drilling program to confirm several of Newmont’s favorable drill intercepts. Confirmatory core drilling results led to enough validation to begin a new portal (North Portal) in late 2004. Between 2004 and 2008, a 440 m spiral ramp was developed from the surface down to the historic Idaho #3 Level.
Between 2004 and 2012, small-scale mining by IDR from the North Portal access extracted a total of 8,400 tonnes of material grading 6.90 gpt Au, with a total of 1,705 ounces (oz) of gold recovered.
5.5 Golden Chest LLC (2010-2015)
The Golden Chest Limited Liability Company (GCLLC) was formed in December 2010 by a joint venture agreement between IDR and Marathon Gold USA. GCLLC began an intense surface drilling program; drilling 106 core holes in 2011 and 45 core holes in 2012 totaling over 18,000 meters.
5.6 Micon NI 43-101 (2011 and 2012)
Marathon Gold Corporation, a Canadian company and parent company to Marathon Gold USA required an independent NI 43-101 Technical Report in order to support regulatory disclosures leading to the “Micon Technical Report on the Initial Resource Estimate at the Golden Chest Property, Idaho, United States, effective date December 31, 2011”. Continued work the next year led to the development of an updated, second technical report by Micon in 2012. The updated 2012 NI 43-101 technical report included an overall mineral resource 254,000 oz gold in the Measured and Indicated categories and 223,000 oz gold in the Inferred category @ 0.4 gpt gold cut-off. The Micon 2012 report also included an open pit resource estimate with 4.63-million tonnes grading 1.71 grams per ton (gpt) gold and totaling 223,000 ounces (oz) of gold in the “Measured” and “Indicated” categories.
| 5-2 |
5.7 Juniper Mining Company (2013)
In September of 2013, Juniper Mining Company leased from GCLLC a section along the Idaho Fault known as the Skookum Shoot. Juniper conducted confirmation drilling, consisting of 18 surface core holes, to verify previous drilling results and by 2014 started construction of the South Portal and associated access ramp. Underground mining, using underhand cut-and-fill method was conducted from November 2014 through September 2015. Juniper accomplished about 1,000 meters of underground development after investing approximately $7 to $9 million. Other work included 889 face chip samples, 729 round samples, and 734 jackleg probe hole cuttings samples. IDR processed the Golden Chest material at its New Jersey Mill during the Juniper Lease, earning cash from milling fees and its share of a 2% net smelter return (NSR) royalty on gold production. Juniper mined 40,840 dry metric tonnes of ore at an average grade of 6.70 gpt gold, resulting in production of approximately 8,000 oz of gold.
In September 2015, Juniper ceased operations and terminated their lease, forfeiting the remaining mineralized material and mine infrastructure returning the property to GCLLC.
5.8 Idaho Strategic Resources (2016-Present)
In August 2016, Idaho Strategic Resources (IDR), formerly known as New Jersey Mining Company, began to re-open the mine, starting with open pit mining on the Idaho Vein (Idaho Pit) and de-watering of the underground workings. Through March 2023, open pit mining was coincident with underground mining.
| 5-3 |
6.0 GEOLOGICAL SETTING, MINERALIZATION, AND DEPOSIT
6.1 Regional Geology
The Golden Chest Mine lies within the Northern Thrust Belt geologic province of Idaho (Figure 6-1). The Northern Thrust Belt is characterized by a set of north-west trending thrust faults which cut through the Mesoproterozoic metamorphic and sedimentary rocks of the Belt Supergroup.

Figure 6‑1 Geologic Provinces of Idaho (Idaho State University 2017)
6.1.1 Belt Supergroup
The Belt Supergroup consists of a thick sequence of marine basin sediments that were deposited 1470-1400 million years ago (Ma). In the mine region, the Belt Supergroup is comprised of four major groups, from oldest to youngest:
1) The Lower Belt Group, which is composed of a single formation (Prichard) with eight members, and is composed of thin to thick bedded argillite, siltite, and quartzite.
2) The Ravalli Group, which is composed of three formations and is dominated by quartzite lithologies.
| 6-1 |
3) The Middle Belt Carbonate Group (in the mine area, consists of the Wallace Formation) which is dominated by limestone and dolomitic quartzites.
4) The Missoula Group which consisting of interbedded quartzite and argillite (Table 6-1).
Table 6‑1 Belt Supergroup Stratigraphy in the Mine Region (modified after Gott 1980)

Most of the historic production in the Coeur d’Alene Mining District has been from the Ravalli and Lower Belt Groups. The host rock lithology at the Golden Chest is the Prichard Formation of the Lower Belt Group.
6.2 Local Geology
6.2.1 Lithology
Prichard Formation
The area surrounding Murray, Idaho is dominated by the lithologies of the Prichard Formation (Figure Below) which comprises the Lower Belt Group of the Belt Supergroup. The Prichard Formation is made up of a series of weakly metamorphosed, marine basin sediments consisting of siltite, argillite and quartzite. The sediments were deposited by underwater landslides in an active shelf environment creating turbidite sequences. The turbidites are composed of graded couplets consisting of a dark argillite layer and a light siltite layer. The quartzite beds are often discontinuous lenses that suggest deposition in narrow sub-marine channels. In the Murray area, the total thickness of the Prichard Formation is greater than 2740 m (Hosterman 1956). The entire Prichard Formation has been weakly metamorphosed to lower greenschist facies, which is manifested by the presence of low temperature minerals such as chlorite and a weak schistose texture.
Gem Stocks
Locally, the largest group of named igneous intrusives is called the Gem Stocks. The Murray Stocks, discussed in Section 6.3, are a smaller associated subset of the Gem Stocks. The Gem Stocks are zoned, monzonitic to syenitic intrusions. Base and precious metals were mined from veins at stock margins in the late 1800’s to mid-1900. The intrusions are small in areal extent but are known from mining to become larger with depth. Age dates for the Gem Stocks vary, but most range in age between 94 to 118 Ma, with a suggested emplacement age of 100 Ma.
| 6-2 |
The Gem and Murray stocks precede the emplacement of the Idaho Batholith and represent numerous intrusive events along their northeast-southwest trend. This is evidenced by the most mafic portion of the stocks being at the southwestern end of the string of intrusions, while the most felsic portion is at the northeastern end near Murray. The Bitterroot lobe of the Idaho Batholith was intruded during regional compression in Cretaceous time; (95 to 70 Ma).

Figure 6‑2 Prichard Formation (Tan), Gem Stocks (Pink), Major Fault Lineaments (Blue) and Trout Creek Anticline (Black).
6.2.2 Structure
Thompson Pass Fault
The Thompson Pass Fault is the largest geologic structure in the Murray area. This fault is considered the northern boundary that defines the Lewis and Clark Line in the region. The Lewis and Clark Line is a zone of nearly vertical normal, reverse and strike-slip faults that represent a fundamental break in the crust along which intermittent movement has occurred from Proterozoic time (2,500 Ma) to the present. The Lewis and Clark Line includes the Thompson Pass Fault as the north boundary, the Osburn Fault in the center, and the Placer Creek Fault as the south boundary. Near the mine, the Thompson Pass Fault strikes northwesterly, has a near vertical dip and strong right-lateral, strike-slip displacement.
| 6-3 |
Trout Creek Anticline
The Trout Creek Anticline is the next largest structural feature in the Murray area after the Thompson Pass Fault. The northerly-trending Trout Creek Anticline is truncated on its southern end by the Thompson Pass Fault. The Trout Creek Anticline is an asymmetric upright fold, with the eastern limb dipping more steeply than the western limb. The western limb dips west at about 45 degrees. The Golden Chest mine is located on the western limb of the Trout Creek Anticline. The Idaho Fault is the major fault in the mine workings and is conformable to the western limb and has the same dip.
Murray Peak Fault
Another major structural feature in the local area is the Murray Peak Fault. This fault is a northerly trending, high-angle reverse fault which primarily dips steeply to the west at 70° to 85°. Like the Trout Creek Anticline, the Murray Peak Fault is truncated at its southern end by the Thompson Pass Fault. The Murray Peak Fault is the dominant feature in the Alder Gulch area of The Project.

Figure 6‑3 Regional Geologic Map
| 6-4 |
6.3 Property Geology
6.3.1 Lithology
The Golden Chest mine has five fundamental rock types; three are sedimentary in origin and two are igneous. The sedimentary rocks are composed of siltite, argillite, and quartzite, or any combination of these three rock types. The two types of igneous rocks are both intrusive. They are quartz monzonite and lamprophyre.
Siltite, Argillite and Quartzite
The mine host rocks are composed of siltite, argillite and quartzite, which belong to the Prichard Formation of the Lower Belt Group. The nomenclature for the Prichard Formation as used by IDR has been adapted from Cressman (1989). This adaptation of the Prichard describes and divides the rock units into informal members of the formation starting from older to younger, and these members are identified with nomenclatures of A through H (eight members in total). At the mine, the two youngest members of the Prichard are represented, Members G and H.
Member G is characterized by lenses of quartzite interbedded with siltite and argillite. This rock unit forms the footwall of the Idaho Fault. The thickness of Member G can range from 10 to more than 1000 m.
Member H, which lies stratigraphically above Member G, is dominated by dark gray argillites and light gray siltites with minor quartzites. This rock unit forms the hanging wall of the Idaho Fault and hosts the Timber King Fault. Bedding is dominantly planar. The thickness of Member H is from 600 to 750 m.
Quartz Monzonite
The intrusive rocks at the mine are dominantly quartz monzonite, which are related to the Murray Stocks. The Murray Stocks are a subset to the Gem Stocks and share the same Cretaceous age. Surface exposures of quartz monzonite are limited to the southern end of the mine, and in one prospect on the west side of Buckskin Gulch, immediately northwest of Murray. The quartz monzonite is more often seen in drill core as either a sill occupying the Idaho Fault or as a dike in its hanging wall.
The quartz monzonite is composed of approximately 40% quartz, 40% potassium feldspar and 20% plagioclase. It is mostly observed as grey-colored and equigranular, although porphyritic phases are also found in drill core at the southern end of the mine. When porphyritic, the quartz monzonite contains abundant, light pink potassium feldspar phenocrysts. Minor purple fluorite in thin quartz veinlets has been observed in some drill core. Some occurrences of the monzonite contain xenolithic clasts of granitic-looking rock, apparent high-grade metamorphic rocks with garnets, altered sediments, or fragments of vein quartz.
Lamprophyres
There are several generations of lamprophyre dikes and sills. The lamprophyre dikes or sills are usually narrow with widths less than 1 m and are composed of a fine-grained groundmass with visible phenocrysts of black hornblende, biotite, or pyroxene. The lamprophyres commonly occur both above and below the Idaho Fault and may cut across the Idaho Vein, particularly in the Skookum ore shoot. They have also been noted to occur along the margins of the monzonite sill in the south part of the project area.
| 6-5 |

Figure 6‑4 Mine Geologic Map
Lamprophyre dikes can contain xenoliths of gold-bearing quartz vein material, indicating that at least some of these dikes and sills postdate mineralization. In some stopes in the Skookum Shoot, parts of the mined vein have been cut diagonally by lamprophyre dikes. Marvin et al (1984) indicate ages of 68.8 ± 2.0 Ma to 58.8 ± 1.5 Ma for lamprophyre dikes in the area.
6.3.2 Structure
The mine lies at or near the intersection of several structural features including the Thompson Pass Fault, Trout Creek Anticline, Murray Peak Fault and the Idaho Fault. This complexity forms a structural knot that has prepared the ground by providing channels for the hydrothermal fluids required to form the quartz-gold veins.
| 6-6 |
Idaho Fault
The primary structure at the Golden Chest Mine is the Idaho Fault. The Idaho Fault is interpreted as a moderate-angle, reverse fault that has exploited a lithologic boundary in the Prichard Formation.
The Idaho Fault occurs in the west limb of the Trout Creek Anticline, on a smaller scale secondary (parasitic) fold that plunges to the north-northwest. The strike of the Idaho Fault and the fold axis of the Trout Creek Anticline are sub-parallel (Figure 6-3). Bedding above and below the Idaho Fault may be parallel to it or intersecting at angles, dependent on location along the secondary fold.
Locally the Idaho Fault displays both cataclastic and mylonitic textures, indicating the fault has been active more than once. Multiple parallel gouge zones may occur across a relatively narrow cross-section. Fault slickensides can show dip-slip, strike-slip and oblique-slip movement.
Timber King Fault
A fault of secondary importance (compared to the Idaho Fault), the Timber King Fault appears in the hangingwall of the Idaho Fault, with a north-south strike and moderate to steep westerly dip. Bedding above the fault is typically a quartzite member of the Unit H Prichard Formation, with near vertical dips to the west. The footwall of the Timber King Fault is typically occupied by Unit H Prichard argillites and siltites, with dips sub-parallel to the fault plane. The Timber King Fault typical appearance is a thin 1-2 cm thick gray gouge seam, with fault slickensides indicating that at least some movement along the fault has been dip slip. The fault seems to have exploited the lithologic boundary between the quartzite and argillite/siltites of the Prichard Formation.
Murray Peak Fault
In the west-central part of the project, the Murray Peak Fault is the primary structure cutting across the geology. This Fault has been described as a north-northwest striking, steeply west-dipping, reverse fault. Relative offset appears to increase to the north of Murray. A persistent, weakly mineralized structure of unknown origin appears to parallel the Murray Peak Fault a short distance to the west.
Northwest Striking Minor Faults
Since IDR re-started the mine in 2016, a series of northwest striking, steeply south dipping faults have been identified in both the hanging and footwalls of the Idaho Fault. Relative movement along these faults has been difficult to determine as there are no readily identifiable marker units in the Prichard Formation. These faults have been noted to offset or terminate veins.
East-West Striking Minor Faults
In the west-central part of the project, East-West striking faults have been noted in old prospect adits and trenches. These faults are near vertical in dip and can have numerous gouge seams within a broader zone of parallel structures. Relative movement along these faults has been difficult to determine as there are no readily identifiable marker units in the Prichard Formation.
6.4 Mineralization and Alteration
The primary geological control to mineralization at the Golden Chest is the Idaho Fault. The Idaho Fault separates the hanging wall (Prichard Formation-Member H) from its footwall (Prichard Formation-Member G). Another geologic control is the Timber King Fault, which in many respects, is similar to the Idaho Fault in how it influenced mineralization.
| 6-7 |
The Idaho Fault acted as the conduit for the mineralizing fluids that produced most of the veins at the Golden Chest Mine. The veins can appear to be stratiform to Prichard bedding and conformable to the Idaho Fault and are centered along the Idaho Fault to form a sub-parallel, stacked vein set. The H-Vein is conformable with the Timber King Fault, occurring on both sides of the fault plane. The alteration is generally weak and mostly occurs immediately adjacent to the veins. Silica, chlorite, pyrite, carbonates, and minor sericite are the primary alteration components seen. The Northwest Striking Minor Faults have been seen to influence grade and tonnage in individual veins as they have been mined. The exact mechanism of control has yet to be determined. The East-West Striking Minor Faults seem to be associated with numerous small quartz veins and igneous sills and dikes.
6.4.1 Vein Types
There are three main types of quartz-gold veins found at the mine; banded, brecciated and massive. Most of the gold production and best grades come from the banded quartz veins. The banded veins consist of thin, sub-parallel shear surfaces that result from compression. The bands are composed of quartz, fine sulfides and phyllosilicate septa (derived from wall rock). A banded vein example is shown below with visible gold grains circled in red.

Figure 6‑5 Banded Vein Example
Many of the veins at the mine are brecciated. Both the breccia clasts and matrix can be mineralized in this vein type. Brecciation events have modified or destroyed the textures of both the banded and massive vein types.
| 6-8 |

Figure 6‑6 Brecciated Vein Example
Massive quartz veins are characterized by a lack of banding or brecciation. They are also distinguished by a general lack of sulfides. The massive veins can have good gold values, but usually not as rich as the banded or brecciated veins.

Figure 6‑7 Massive Vein Example
6.4.2 Vein Names and Locations
Most of the veins recognized at the mine are along or near the Idaho Fault. Both the veins and fault dip moderately to the west at approximately 45 degrees, except for the H-Vein, which typically dips 65-75 degrees west. An example vertical cross-section is shown in the figure below.
Veins are found in both the hanging wall and the footwall of the Idaho Fault, and they are concentrated within 100 meters of the fault. Vein density increases with proximity to the Idaho Fault with the most abundant veining occurring within 50 meters of the fault. The historical workings at the mine appear to target veins that are generally within 25 meters of the Idaho Fault.
| 6-9 |
The “Idaho Vein” is the name given to the quartz vein found in the immediate footwall of the Idaho Fault. The “H-Vein” is the name given to the quartz vein found immediately next to the Timber King Fault.
There have been discrepancies in identifying the different veins throughout the years, because the veins pinch, swell, and split along strike. Because of this, the correlating of veins between mining levels or even along strike is difficult.

Figure 6‑8 Vertical Cross-Section of Vein Location
6.4.3 Lithologic Control of Veins
The two main lithological controls for veining at the Golden Chest are:
|
| · | Rheological: brittle-ductile contrast |
|
|
|
|
|
| · | Permeability and porosity |
| 6-10 |
Most of the veins at the mine are preferentially found in areas of rheological contrast. Vein development is at its strongest when brittle units, like quartzite and blocky siltite, are in contact with the more ductile laminated siltite-argillite beds.
The permeability and porosity of the lithologic units at the Golden Chest is largely related to grain size. The fine-grained units act as aquitards to hydrothermal fluids while the coarse, more permeable units accommodate and hold the hydrothermal fluids. The quartzite units of the Prichard Formation are more permeable and porous than the surrounding siltite-argillites and are more susceptible to hosting widespread silica-flooding and silicification.
At the mine, the hanging wall to the Idaho Fault is mainly composed of thinly laminated siltite-argillite, with almost no quartzite beds, and these rocks are not as susceptible to silicification. However, the footwall lithologies of the Idaho Fault are primarily light grey, fine-grained quartzites and blocky siltites and these units are very susceptible to pervasive silicification.
6.4.4 Vein Mineralization
Gold mineralization at the Golden Chest is mostly associated with the sulfide minerals pyrite, galena, sphalerite, and chalcopyrite. Less commonly, gold can be found adjacent to arsenopyrite or scheelite. Both the mineralogy of ore and gangue are shown below.
|
| · | Ore mineralogy: pyrite, galena, chalcopyrite, sphalerite, arsenopyrite, gold, scheelite, minor covellite, tetrahedrite |
|
|
|
|
|
| · | Gangue mineralogy: quartz, chlorite, carbonates, sericite, muscovite, minor feldspar |
Commonly, native gold is seen as intergrowths associated with pyrite, galena, sphalerite, and chalcopyrite. Gold mineralization occurs along the grain boundaries or inside clusters of these sulfides.

Figure 6‑9 Gold-Sphalerite-Galena-Pyrite-Quartz Vein from the 941 Level
Five petrographic studies have been conducted on vein samples from the Golden Chest Mine. The vein samples in each study were from different locations and do not show the same features. Hausen (1987) was contracted by Newmont to examine some samples of banded quartz vein material. He concluded the sulfides and quartz were epigenetic, or the mineralization is of a later age than the enclosing rocks.
| 6-11 |
Twenty-two years later, Gammons (2009) concluded the gold mineralization was late and associated with galena and chalcopyrite, but not sphalerite. Gammons determined the ore minerals as pyrite, galena, sphalerite (with chalcopyrite rims), chalcopyrite, and gold, in order of decreasing abundance. Additionally, he noted that most of the gold grains are in the 50-micron size range, and should be easy to mill or leach since they mostly occur on cracks in pyrite.
A petrographic analysis done by Ross (2010) determined the vein material at the Golden Chest is well-banded due to a combination of multi-phase mineralogical and tectonic layering. She described the banded vein quartz mineralogy as consisting of white to pale grey semi-translucent quartz, with dark septa of altered wall rock and thin sulfide-rich bands. The tectonic layering was described as hairline slip surfaces and stylolitic bands of pyrite and phyllosilicates.
Juniper Mining Company also conducted a mineralogical investigation as part of their metallurgical testing. The study showed the gold to be mostly found in association with pyrite and galena and the majority of gold grain sizes are in the 2-to-10-micron range.
Brown (2019) noted that the gold grains vary in size (< 1 to 100 µm), but typically were easy to identify in polished sections (Brown 2019). He also saw gold having a strong correlation with galena, with the galena and gold often found along fractures and cracks cutting pyrite and milky quartz. Brown also noted gold occurring in grains by itself or with chalcopyrite.
Scheelite
Scheelite is found in many areas of the mine and the Golden Chest was a producer of tungsten during World War I. Frequently scheelite can be found with gold as a common subordinate mineral in orogenic gold systems. At the Golden Chest, scheelite is typically found in relatively pure masses within quartz veins.
6.4.5 Wall Rock Alteration
The wall rocks at the Golden Chest display weak alteration, which is usually confined to the area proximal to the gold-quartz veins. The alteration is in part dictated by the permeability/porosity of the lithologies. Adjacent to the gold-bearing quartz veins, chlorite/biotite, ankerite, sericite, potassium feldspar and silicic hydrothermal alteration minerals were the alteration minerals noted by Brown (2019). Barren pyrite also occurs in this alteration package. Earthy hematite has also been observed.
Generally, the hanging wall rocks of the Idaho Fault display a lack of widespread alteration, due to the tight impermeable mineralogy of the siltite-argillite units. In most cases, hanging wall alteration is chloritic and is localized within 10 meters (33 feet) of Idaho Fault or the veins. Near the Timber King Fault, silicification has been noted.
Footwall rocks, on the other hand, can display three types of alteration: sericitic, chloritic and silicification. Alteration within the footwall can be widespread and is related to rock permeability and porosity. Areas containing quartzite lithologies are particularly susceptible, and are often subject to pervasive, passive silica flooding.
| 6-12 |
The intrusive rocks may show substantial argillic and sericite alteration, especially near faults. Some propylitic alteration has been noted, characterized by veinlets of epidote in the monzonite. Potassic alteration has also been noted in places in the monzonite, particularly near the H-Vein in the lower levels of the mine.
6.5 Deposit Type
The Golden Chest deposit is recognized as an “intrusive related” orogenic gold-quartz vein system by IDR geologists. However, recently there has been the suggestion that the Golden Chest deposit type could be a Reduced Intrusion-Related Gold System (RIRGS). The RIRGS deposit classification is already mired in confusion over nomenclature. It should be remembered that each ore deposit has its own specific and unique characteristics and not all deposits exhibit all characteristics of any particular classification. Deposit models are sets of guidelines, not absolute parameters. No one model will describe multiple deposits, one model describes one deposit. That being said, there is considerable overlap between the two deposit model types and the Golden Chest deposit has characteristics of both orogenic and RIRGS model types. This report will continue to use the orogenic deposit classification for the Golden Chest.
6.5.1 Orogenic
Before 1998, the term mesothermal was used for orogenic gold-quartz vein systems. Other synonyms for this type of vein are shear-hosted lode gold, low-sulfide gold-quartz veins and California Mother Lode veins. These “mesothermal” or orogenic deposits are associated with regionally metamorphosed terranes of all ages. Some of the largest gold deposits in the world are associated with orogenic vein systems. World class orebodies are generally 2 to 10 kilometers (km) long, 1 km wide, and are mined down-dip to depths of 2 to 3 km. This deposit type is responsible for a significant portion of the world’s gold production.
Orogenic vein deposits usually form within fault systems produced by regional compression or transpression (strike-slip movement). These compressional events are often associated with the collision, docking and subduction of exotic terranes. The majority of orogenic gold deposits are located within second- and third-order structures near first-order, deep-crustal fault zones. Ore forms as vein fill along second- and third-order shears and fault structures. Fluid migration along these fault structures is driven by episodes of major pressure fluctuations during seismic events. Gold is usually deposited at crustal levels within and near the brittle-ductile transition zone at depths of 6-12 kilometers, pressures between 1 to 3 kilobars and temperatures from 200° to 400° Celsius.
6.5.2 Age and Genesis
The genesis of the gold mineralization at the Golden Chest is interpreted to be related to the movement of mineralizing fluids, derived from cooling plutons, up shear zones. Hershey (1916) also believed that gold mineralization was related to the intrusive events, while the Ag-Pb-Zn mineralization was remobilized and leached from the Prichard Formation.
The North America Cordillera gold veins are often post-Middle Jurassic and appear to form immediately after accretion of oceanic terranes to the continental margin. The Golden Chest may be related to similar gold vein systems in British Columbia where deposits are mainly Middle Jurassic, ~ 165-170 Ma and Late Cretaceous ~ 95 Ma.
Mineralization age estimates are debatable, but it is possible that there was more than one gold mineralizing event. This Report suggests an age of 94 Ma for the gold mineralizing event at the Golden Chest. This age estimate is based on cross-cutting relationships with the quartz monzonite intrusive and coincides with the end of the Murray Stock emplacement and predates the Idaho Batholith activity. A recent (2020) 40Ar/39Ar geochronology study of hydrothermal sericite from the Golden Chest Mine suggested a deposition of sericite around 74.5 ± Ma (Gammons, 2020).
| 6-13 |
Intrusive-related orogenic systems are characterized by intrusive rocks emplaced along a fault structure. The figure below, displays the position of the Golden Chest Mine in relation to the intrusive and the Idaho Fault. In the case of the Golden Chest, the gold mineralization is interpreted to be primary mineralization resulting from the felsic igneous intrusive. The Thompson Pass Fault is considered to represent the first-order deep crustal fault with the Idaho Fault being a second-order fault. This association is indicative of intrusive related orogenic systems because the first-order fault provides the deep plumbing, and the second-order faults provide the extensional setting.
Other similarities between intrusive related orogenic deposits and the Golden Chest Mine:
| 1) | Precambrian turbidite host rocks |
|
|
|
| 2) | compressional geologic environments with reverse fault movement; |
|
|
|
| 3) | strong structural control |
|
|
|
| 4) | epigenetic banded veins |
|
|
|
| 5) | quartz-dominant vein system with ≤ 3-5% sulfide minerals |
|
|
|
| 6) | a general lack of widespread alteration |
|
|
|
| 7) | continuity at depth |

Figure 6‑10 Intrusive Related Orogenic Model (modified after Groves et al. 1998)
| 6-14 |
7.0 EXPLORATION
For the year 2025, the primary form of exploration work completed on the property was diamond core drilling.

Figure 7‑1 Planview of Golden Chest Drill Traces
| 7-1 |
7.1 Drilling
7.1.1 Vertical Continuity
In 2025, 116 core holes, totaling 25,368 m, were drilled from the surface and underground. The geologic targets for the drilling were the H-Vein, Jumbo, Red Star area, and the Paymaster veins at the Golden Chest Mine. Mineral Resources have been updated for the H, Paymaster Hangingwall, Paymaster Footwall, Jumbo, Bush, 31, 37, and Popcorn Veins. No drilling or depletion took place in the Idaho Vein or Idaho Vein footwall. Mineral Reserves and Resources have been updated for the drilling that was completed. More information on Resources and Reserves can be found in sections 11 and 12.
The drilling was carried out by two contractors, Ruen Drilling, of Clark Fork, Idaho, using a Ruen DMW-100, and Dynamic Drilling, Osburn Idaho, using a Sandvik 1000 underground drill and a Sandvik D120 surface drill. The core size drilled was mostly NQ2 (5.08 cm), with HQ (6.35 cm) used on some of the deeper holes. Drilling was fanned from prepared drill pads or underground drill stations.
All holes are cemented from the bottom of the hole to 30 m above any important mineralized zones. Above the cement, the holes are grouted.
The drillers place the core in waxed cardboard boxes which are then stacked on pallets and strapped down prior to transport, then taken by either drillers or geologic staff, to the logging facility, which is located near the mine offices.
Upon receipt of the core at the logging facility, the boxes are laid out in order on the benches. They are then examined to ensure correct block meterage and core orientation. Zones of core loss are noted, and geotechnical logging is conducted. This includes measurement of recovery and rock quality designation (RQD).
Logging is conducted by IDR geologists. Data is digitally captured on notebook computers using Microsoft Excel.
The core is then logged for lithology and mineralogy, as well as sedimentary structures, veins, faults, and other structural features. Following this, a third logging pass is made noting type, style, and intensity of alteration. During the logging process, features of note are marked with colored pencil so as to be visible in the core photos.
The core is then wetted and photographed using a camera and lighting which provides uniform digital images. In addition to the notations on the core for geological information, the sample boundaries and numbers are also marked to allow for easier validation of the assay results using the core photos.
7.1.2 Drill Hole Surveys
Hole locations and orientations are marked for the drillers by the supervising geologist. Once the drill is on site and ready to begin drilling, a double check of the rig orientation is made by the supervising geologist. The hole is surveyed using a Single-Shot magnetic and Multi-shot gyro downhole survey tools. The first measurement is made at 30 m depth and every 30 m increment in depth as the hole is drilled
The Single-shot azimuth measurements are based on magnetics, and susceptible to interference from steel objects. Taking a reading 30 m down the hole reduces the chance that the instrument will be influenced by any iron objects on or near surface at the drill site. The Single-shot instrument also records the magnetic field strength which is used to derive average field strength for help in assessing individual orientation readings. If an obviously spurious measurement is recorded, it is discarded and replaced with a second instrument survey reading collected at the same depth. The Multi-shot gyro tool records azimuth and dip changes from the initial setup (based on a rig aligner tool) using gyroscopes, which reduces susceptibility to interference from steel objects or un-usual natural magnetic minerals
| 7-2 |
The survey data is recorded on paper and forwarded to the supervising geologist for entry into Microsoft Excel software. The azimuth readings for the Single-shot tool data is adjusted to true degrees by using the calculated Magnetic Declination at the Golden Chest Mine. The surveyed holes are checked on screen using Seequent Leapfrog or Maptek Vulcan software to confirm that they were oriented as planned and in the correct location.
The hole collar locations are picked up by the mine surveyors using a RTK iGAGE-8 base and rover GPS. This is to provide a means for gauging the accuracy of the downhole surveys, and to note any general trends in hole deviation.
7.1.3 Drill Hole Sampling
On completion of the logging, the core is marked for sampling. Samples range in length from a minimum of 0.1 m to a maximum of 1.6 m with breaks made based on changes in estimated grade or mineralization style or lithological changes. Tags are placed in the boxes for each sample.
The core marked for sampling is cut in half longitudinally with a standard wet tile saw. The cut pieces are placed back in the core box in their original location and orientation.
Sample tag books are filled out with hole ID, location, from and to information, and a tag is placed in the sample bag. The sampled intervals are recorded in the Microsoft Excel core log and then checked using a validation routine in Seequent Leapfrog or Maptek Vulcan software to confirm that there are no overlaps or accidental gaps. Approximately 540 drill core samples were collected.
Assay Quality Assurance/Quality Control (QA/QC) samples consisting of either a blank or standard inserted into the sample sequence every 10 samples. These are also recorded in the database. The lab, American Analytical Services, Inc., Osburn, Idaho, also conducts internal QA/QC involving duplicate pulps and rejects.
Samples are collected by taking one half of the cut core and placing it into polyester bags which are then put into a vehicle and driven by an IDR employee to American Analytical Services, Inc., Osburn, Idaho. The shipping list is generated in Microsoft Excel and placed with the shipment along with a lab-required Chain of Custody form.
In the QP’s opinion, the drilling, core handling, logging, and sampling at Golden Chest is being conducted according to common industry practice, in a manner appropriate for the deposit type and mineralization style.
7.3 Hydrogeology Data
Hydrogeology data is not currently collected from the Golden Chest drill holes.
| 7-3 |
8.0 SAMPLE PREPARATION, ANALYSES, AND SECURITY
8.1 Laboratory Accreditation and Certification
The laboratory used by IDR for sample preparation and analyses is:
American Analytical Services, Inc.,
59148 Silver Valley Rd,
Osburn, ID 83849
+1 (208) 752-1034
American Analytical is ISO 17025 Certified for Mineral and Ore Chemical Testing. Fire assaying is the only method used to quantify gold in core samples and round samples. Occasionally, Inductively Coupled Plasma (ICP) is used for multi-element analysis.
American Analytical (AAS) is independent of the parties involved in the Golden Chest Mine.
8.2 Sample Quality Assurance and Quality Control (QA/QC)
IDR’s QA/QC program has been in place since the GCLCC joint venture in 2011. The QA/QC program consists of inserting blanks and commercially certified standards into the sample stream. A blank or a standard is inserted into the sample sequence at least every 10 samples. All standards are commercially certified and have been prepared in advance by accredited labs.
8.2.1 Blanks
The QP’s reviewed the results of blank assay and only 3 of 591 samples returned an assay greater than the detection limit for fire assay, < 0.060 gpt gold. These are acceptable results.
8.2.2 Standard – 3 gpt
A review of the assay results from the three gram per tonne (3 gpt) gold standard was conducted by the QP’s. The results are presented below in Figure 8-1.

Figure 8‑1 Drill Sampling 3 gpt Standard QA/QC Tracking
| 8-1 |
A review of the 3 gpt standard assay results show an assay bias to the low side as 27.5% of the assays are below three standard deviations (2.69 gpt) and less than 1% of the assays exceed three standard deviations (3.39 gpt). The average assay for the 3 gpt standard is 2.81 gpt. This shows a bias to underestimate grade as the distribution is shifted downward. This standard was replaced by a 4 gpt standard in 2023 due to availability.
8.2.3 Standard – 4 gpt
In 2023, a four gram per tonne (4 gpt) standard, CDN-GS-4N, was purchased to replace the 3 gpt standard material as the 3 gpt sample material was no longer available. A total of 93 4 gpt standards were assayed from 2023 through the beginning of 2025. Resultsw from the 4N standards analyzed in 2025 are presented below.

Figure 8‑2 Drill Sampling 4 gpt (4N) Standards Control Chart
As shown in the figure above, the assay results rarely exceed the certified value (CV) and the majority of samples are between one and three standard deviations below the CV revealing a low bias similar to the 3 gpt standard dataset. This shows a bias to underestimate grade as the distribution is shifted downward. The data should be monitored to see if the low bias persists. In 2025, a new 4gpt standard, CDN-GS-4M, was introduced to replace the discontinued 4N standard. A total of 91 4M standards were analyzed to present. The results are displayed below.

Figure 8‑3 Drill Sampling 4gpt (4M) Standard Control Chart
| 8-2 |
8.2.4 Standard – 8 gpt
A review of the assay results from the eight gram per tonne (8 gpt) gold standard was conducted by the QP’s. The results are presented below.

Figure 8‑4 Drill Sampling 8 gpt Standards QA/QC Tracking
The assay results for the 8 gpt standard show good dispersion around the mean with only 13 of 236 results (4.72%) outside of three standard deviations. These are acceptable results.
8.2.5 Standard—7 gpt
The QPs reviewed the data for the two seven gram per tonne (7 gpt) standards which replaced the 8 gpt standard in 2022 because of availability. Figure 8-4 displays the assay results of the 7 gpt standard CDN-GS-7J analyzed in 2025. A total of 77 7J standards were assayed from 2022 to mid-2025

Figure 8‑5 Drill Sampling 7 gpt (7J) Standard Control Chart
As figure 8-4 illustrates, the assay results trend well below the CV with 34% of the assays falling under 3 standard deviations Again, it appears there is a low bias in the 7J standard. In 2025, a new 7gpt standard, CDN-GS-7M, was introduced to replace the discontinued 7J standard. A total of 49 7M standard were analyzed to present. The results are presented below.
| 8-3 |

Figure 8‑6 Drill Sampling 7gpt (7M) Standard Control Chart
Similar to the 4M standard, the results from the beginning of 2025 have low precision and the majority of samples fall between 1 and 3 standard deviations below the CV. In October-November of 2025, the pattern changes to higher precision with most samples running between 1 and 2 standard deviations above the CV, indicating a slight high bias.
8.2.6 Standard—9 gpt
A review of the assay results from the nine gram per tonne (9 gpt) standard was conducted by the QPs. This standard has been in use since 2024. The average of all samples assayed is 9.08 gpt. There is only limited data, but recent trends show less precision and 3 samples falling below 3 standard deviations from the CV. This standard is used less frequently than the others but will be monitored closely.

Figure 8‑7 9 gpt Standard
| 8-4 |
8.3 Sample Preparation
Once the geologist has completed their detailed logging they delineate sample intervals, and the core technicians saw the core longitudinally in half with a diamond blade saw, cleaning the blade between sample intervals. The right half of the core is placed in a sample bag. A tag with a unique sample identification (ID) number is placed inside each sample bag before it is sealed. This sample ID number is also written on the outside of the sample bag. This same sample ID is tagged into the core box at the respective interval and the remaining core half is reserved in the core box for future reference. Generally, samples of 1 m in length are taken; however, in areas of particular interest, sample size can be reduced as low as 0.1 m. In zones with anticipated weak mineralization the sample interval can be extended to the maximum distance between run blocks (1.6m). In some cases of poor core recovery, the distance between run blocks can be greater than 1.6 meters. This is a special case and evaluated in areas of known poor recovery on a case-by-case basis, whether or not to sample the material recovered.
8.4 Sample Analysis
For all the samples processed by AAS on behalf of GCLLC/IDR, the following methods were used to obtain a fire assay for gold. Samples received at the American Analytical are sorted and coded. They are then placed in the sample drying room and dried at 60°C. After drying, samples are crushed and split in the sample preparation room. After splitting, samples (30 grams each) are sent to the fire assay area and numbered in order. The sample is carefully mixed with the necessary reagents, dominantly litharge, in a fire clay crucible. The mixture is then heated to 760°C for 20 minutes, and finished at temperature 1,038°C, with the entire fusion process lasting sixty minutes. The crucibles are then removed from the assay furnace and the molten slag (lighter material) is carefully poured from the crucible into a mold, leaving a lead button at the base of the mold. The lead button is then placed in a preheated cupel which absorbs the lead when cupelled at 950°C to recover the doré bead containing both gold and silver. The entire doré bead is placed in nitric acid where the silver goes into solution and the gold remains in the bottom of the cup. The gold bead is then weighed to the thousandth of milligram accuracy on a micro-balance.
8.5 Security
All drill core is delivered by drilling contactors or occasionally mine staff to the locked and secure Mine Office/Core Shed building daily. Cut core samples are stored within the Core Shed as well. Sample security has relied upon the fact that the samples were always attended or locked in appropriate sample storage areas. Samples remain within the custody of staff up to the moment the samples are delivered to the laboratory at which time AAS assumes custody. Chain of custody procedures include filling out sample submittal forms that are sent to the laboratory with sample shipments to make certain that all samples are received by the laboratory.
All drill core is stored in locked and secure facilities, either the Mine Office/Core Shed building (Figure 8-6) or in locked Connex containers.
| 8-5 |

Figure 8‑8 Mine Office/Core Shed Building
8.6 QP Comments on Sample Collection, Preparation, QA/QC, Analysis and Security
The sampling methods are acceptable, meet industry standard practices, and are adequate for mineral resource and mineral reserve estimation and mine planning purposes, based on the following:
|
| · | Sampling was conducted by appropriately qualified personnel under direct supervision of appropriately qualified geologists. |
|
|
|
|
|
| · | Sample collection procedures used meet industry best practices. |
|
|
|
|
|
| · | Sample preparation procedures meet industry best practices. |
|
|
|
|
|
| · | QA/QC results produce acceptable results. However, the low bias in the 3 gpt standard would tend to underestimate gold content – this mainly affects holes drilled prior to 2023. Continued monitoring of the previous and current 4 gpt standard indicates improved performance |
|
|
|
|
|
| · | The 7 gpt standard showed improved performance from the most recent samples, going from a low bias with poor precision to a slight high bias with much tighter precision. |
|
|
|
|
|
| · | The 9 gpt standard recently trended towards performance issues and should be monitored. |
|
|
|
|
|
| · | Security procedures are consistent with industry standards. |
| 8-6 |
9.0 DATA VERIFICATION
9.1 Database Procedures
Drilling, chip sampling, and round sampling data are captured and stored using Maptek’s Vulcan software and Seequent’s Leapfrog. Photographic information is stored in drillhole specific folders on the IDR’s mine server which is backed up with a physical copy and stored at a secure location periodically. Drillhole logs are completed using Seequent’s MX Deposit software and are only accessible by mine technical staff and timestamped at the last time of change. Geologic interpretation and solid modeling are accomplished using Seequent’s Leapfrog. Survey volumes and estimation of Mineral Reserves are accomplished using Maptek’s Vulcan, while block modeling is completed in Leapfrog Edge.
On completion of a downhole survey, the data is input into Leapfrog and reviewed in 3D on screen to check for major inconsistencies. On the fly dip and azimuth information is available to the exploration geologists at the drill rig to compare to previous surveys. If a dip and azimuth measurement is in question, the survey at the prescribed hole depth will be taken again.
Core assay results are sent from the lab as PDF certificates and comma-delimited (CSV) files. The certificates are loaded into the database (MX Deposit) and checked for QA/QC issues before being added to the master drill hole database.
As the Golden Chest is an orogenic gold system there is a visual difference between the mineralized quartz and wall rock. The core photos are checked against assays to verify mineralized zones. The Idaho, H-Vein, and Paymaster intercepts can usually be planned to within one to two meters using three-dimensional vein solids.
Once data are checked against core photos and input into Leapfrog, a readout of missing and overlapping intervals can be checked for inconsistencies in the drill hole data input by core logging geologists.
Data is stored on the cloud with MX Deposit and in local copies at the mine site. The master database is backed up to a separate server stored at the corporate office quarterly.
9.2 Validation Procedures
For the preparation of this report all the drill hole logs completed in 2025 were checked for inaccuracies. Assay values in the Leapfrog database were checked against the geologist’s core logs and then again against the assay sheets from the lab. Further review in Leapfrog found no issues with overlapping segments, invalid depths, or collar/survey issues. The assay database is scrutinized for non-zero and/or negative numbers. Missing intervals (unsampled) and historic unsampled intervals are replaced with 0.0001 ppm Au.
Checking Vulcan for overlapping sample intervals yielded no overlapping portions of the drill hole database along with the other tests performed shown in the figure above.
Visual inspection of vein wireframes and drill holes in three-dimensions yielded similar results. Surveyed mining voids were captured by drill hole traces. Some drill holes have been surveyed by the underground surveying crew in the stopes. The drill hole trace and underground survey points usually align within one to two meters. One note is that data taken by Juniper Mining Company (JMC) in the form of round samples had to be corrected for an inappropriate coordinate system. JMC created a local mine grid inadvertently by truncating Northings and Eastings to exclude the ten-thousands place. This created a mine grid not comparable to the UTM coordinates used by IDR and caused a twisting effect around the arbitrary origin. A correction was applied to JMC data to account for the inappropriate flattening of a UTM zone by truncation.
After evaluating the sampling database for length distributions all sample lengths were valid and followed the sampling protocols and length constraints outlined in the previous TRS reports.
| 9-1 |

Figure 9‑2 Histogram of Sample Lengths in database
9.2.1 Micon Historic Database Validation
Micon carried out data verification as a part of its 2012 Canadian NI 43-101 resource estimation at the Golden Chest. Micon re-analyzed sample pulps from 6 historical holes. New assays showed 99% correlation with previous assays. Micon’s database validation consisted of the following steps:
|
| · | Checking for any non-conforming assay information such as duplicate samples and missing sample numbers. |
|
| · | Verifying collar elevations against survey information for each drill hole. |
|
| · | Verifying collar coordinates against survey information for each drill hole. |
|
| · | Verifying the dip and azimuth against survey information for each drill hole. |
|
| · | Comparing the database assays and intervals against the original assay certificates and drill logs. |
Micon’s comments were, “On the whole the database was found to be in good shape. A few minor adjustments to drill hole collar elevations were made where road cuttings had reduced the elevations by about 2 to 3 m.” Micon’s drillhole database validation exercise covered holes drilled from 2004 through 2012. These holes are a part of the current resource/reserve estimation. Micon’s validation is taken as another indicator that the drill hole database is well managed and validated acceptably.
9.3 Validation Limitations and QP Comments
In the opinion of the QPs, the validation exercises undertaken are sufficient to justify the current Resources and Reserves at the Golden Chest by IDR. There is no evidence to date that suggests an issue with the practices in database management at the Golden Chest. The databases are managed in a secure area using modern, commonly used software by trained staff. The staff are experienced in the nuances of narrow vein mining and treat the model with their experience in mind. In the opinion of the QPs, the database is properly maintained and appropriate for use in the estimation of Resources and Reserves.
| 9-2 |
10.0 MINERAL PROCESSING AND METALLURGICAL TESTING
The New Jersey Mill located 3 km east of Kellogg, Idaho has processed material from the Golden Chest since 2017 from both open pit and underground sources. See Figure 10-1. The New Jersey Mill originally started as 100 tonnes per day (tpd) flotation plant but was expanded to a nameplate capacity of 360 tpd in 2012. For the purposes of this section, the processing of Golden Chest material during the 100 tpd era will be treated as metallurgical testing. A laboratory test program using drill core from the Golden Chest to evaluate gravity, flotation, and cyanidation methods for the recovery of gold is also discussed. Recently a metallurgical test program using H-Vein ore was completed that evaluated two grind sizes grinds and various reagent schemes in an effort to increase gold recovery.

Figure 10‑1 Aerial View of New Jersey Mill
10.1 New Jersey Mill 100 TPD Metallurgical Testing
During the period from 2005 through 2009, IDR processed just over 8,300 tonnes of material grading 6.9 gpt gold and achieved a gold recovery of 94%. A flowsheet of the 100 tpd mill is shown below in Figure 10-2.
In general, the process included a crushing circuit, a grinding circuit, a flotation circuit, and a tailings disposal circuit. A bulk sulfide concentrate was made using rougher flotation cells followed by a single stage of cleaner cells. A neutral pH was maintained in the flotation circuit. Concentrate grades ranged from 100 gpt to 400 gpt gold depending upon the gold grade of the feed. Concentrates were sold to smelters through a broker and sold directly to Nevada Gold Mines Goldstrike facility in Carlin, Nevada.
| 10-1 |

Figure 10‑2 New Jersey Mill 100 TPD Flowsheet
The Golden Chest material processed during this time was sourced from underground mining of veins in the Klondike Shoot area, located in the northern portion of the mine. Gold mineralization was associated with structurally controlled faults, quartz veins and silica-flooding. Visible gold was relatively rare and gold mineralization was associated with pyrite, galena, chalcopyrite, and sphalerite. The mineralization had relatively low levels of sulfides, approximately 1% to 5%, and the ore processed was reasonably representative of the mineral deposit.
Deleterious elements in the concentrate were below smelter penalty levels, with arsenic quantities at 1,000 ppm, while lead and zinc were 2,000 ppm each. Iron and sulfur were the primary components of the concentrate at 33% and 38%, respectively. The concentrate is amenable to cyanide leaching.
The Company operated a Concentrate Leach Plant (CLP) and leached total of 78 tonnes (t) of Golden Chest flotation concentrates using an agitated tank leach followed by electrowinning. The head grade of the concentrate was 122 gpt Au and a gold recovery of 86.6% was achieved in the CLP. Low recovery and long leaching times were due to poor agitation in the leach tanks during this testing period. The Company completed a 6-tonne batch test leaching Golden Chest concentrate in 2016 with increased agitation power which resulted in 95% gold recovery in 72 hours.
10.2 Resource Development Inc. Metallurgical Testing
Resource Development Inc. (RDI) of Wheat Ridge, Colorado conducted preliminary metallurgical test work on core sample splits from the confirmation drilling in the Skookum Shoot in 2014. The mineralogy of the material from the Skookum Shoot is representative of the typical mineralized material at the Golden Chest. RDI’s program consisted of gravity, flotation, and cyanidation tests.
| 10-2 |
RDI completed three gravity concentration tests, using 1 kg of material per test. Each test consisted of a different grind size: 48 mesh, 65 mesh and 100 mesh. Overall gold recovery ranged from 31% to 37% with final concentrate grades ranging from 277 to 323 gpt Au.
RDI completed seven flotation tests, using 1 kg of material per test. The tests consisted of rougher flotation only with no cleaner flotation tests. The samples were ground in a rod mill at 50% solids to produce three different grind sizes (P80): 65, 100 and 150 mesh. Flotation reagents and retention times were also varied as part of the testing. Results of the flotation tests are presented in the table below.
Table 10‑1 RDI Flotation Test Results

The highest recovery test consisted of a 9-minute flotation time, the finest grind (150 mesh) and used the reagent Aeroflot 208.
RDI also completed three cyanide bottle roll tests on whole ore, using 1 kg of whole ore from core sample rejects. Each sample was ground in a laboratory rod mill at 40% solids and the target grind size was varied in each test. The three grind sizes (P80) were 65 mesh, 100 mesh and 200 mesh. The leach time was fixed at 72 hours and solution samples were taken for gold assay at 6, 24, 48 and 72 hours.
Gold recovery ranged from 85.9% to 94.4% in the three tests with the 100-mesh test achieving the best recovery in 48 hours and the lowest recovery was the 200-mesh grind. Cyanide consumption ranged from 0.30 kg/tonne to 1.57 kg/tonne with the finest grind of 200 mesh consuming the most cyanide. RDI reported the Golden Chest material was, “very amenable to cyanide leaching” and that a nominal 100 mesh grind was ideal.
10.3 H-Vein Flotation Testing by Blue Coast Research
In early 2024, approximately 100 kg of crushed ore mined from the H-Vein was collected from the ball mill feed belt over the course of a week and sent to Blue Coast Research for a metallurgical testwork program. The purpose of the program was to evaluate the conditions of the current processing scheme and test alternatives such as reagent scheme and grind for increased gold recovery.
| 10-3 |
The sample was composited and the head sample analysis results are in the table below.
Table 10‑2 H-Vein Head Sample Analysis
| Sample Name | Au (gpt) | Ag (gpt) | Fe (%) | Si (%) | S (%) |
| IDR H-Vein Crushed Ore | 8.22 | 3.65 | 3.01 | 30.74 | 1.14% |
Eight rougher flotation tests were completed with the first three using the existing New Jersey Mill reagent scheme to establish a baseline. The remaining rougher flotation tests evaluated different flotation reagents and modifiers such as lime addition to increase pH. While some of the tests showed improved concentrate grades, none reduced the rougher tails gold grade below the baseline test grade of 0.6 g/t Au. The rougher flotation tests found that a finer grind has the most influence on reducing tails grade, hence increasing gold recovery. Select results from the rougher tests are summarized in the following table.
Table 10‑3 Select Results of Rougher Flotation Tests
| Test Number | Scheme | Rougher Au Recovery (%) | Rougher Au Grade (gpt) |
| F1 | Baseline NJ Mill | 93.4% | 90.1 |
| F2 | Baseline 150 μm | 93.2% | 71.7 |
| F3 | Baseline 75 μm | 94.5% | 68.2 |
| F4 | High pH ( > 11) | 92.4% | 71.0 |
| F6 | Aerophine 3418A & PAX | 91.9% | 121.0 |
Conclusions from the Blue Coast testwork program are summarized below.
Mineralogical analysis showed:
|
| · | The primary sulphide mineral present was pyrite. |
|
| · | The pyrite was well liberated. |
Flotation testwork showed that:
|
| · | A finer primary grind size was the most significant influence on reducing the rougher tails grade. |
|
| · | With a primary grind size of 80% passing 75 μm the rougher tails grade was reduced to 0.5 gpt gold. |
|
| · | Very high grade gold concentrates (804 gpt gold) could be produced with the use of a selective gold collector (Aerofloat 6697), however recovery was reduced. The lower recovery is due to an increased selectivity against pyrite, however fine gold associated with pyrite grains was not collected resulting in the reduced recovery. |
|
| · | The current PAX & Aero 208 reagent scheme with dilution cleaning is sufficient to produce concentrates meeting the target of >250 gpt gold. |
| 10-4 |
11.0 MINERAL RESOURCE ESTIMATES
11.1 Summary
Table 11-1 lists the Mineral Resource estimate for the Golden Chest mine. Mineral Resources have been classified in accordance with the definitions for Mineral Resources in S-K 1300. Open pit optimization was carried out to define resources that could potentially be economic in a surface operation, but not an underground operation. The open pit resources are included in the summary table 11-1 and are split out in 11-2 to illustrate this potential surface resource on its own. Table 11-1 is a tabulation of all of the estimation domains outlined in the estimation process. More information on the domains can be found in section 11.0.
Table 11‑1 2025 Golden Chest Mine Mineral Resources
| Measured | |||
| Tonnage | Au Grams | Au gpt | Au Troy Oz. |
| 384,351 | 1,665,762 | 4.33 | 53,555 |
| Indicated | |||
| Tonnage | Au Grams | Au gpt | Au Troy Oz. |
| 702,152 | 2,779,000 | 3.96 | 89,347 |
| Measured + Indicated | |||
| Tonnage | Au Grams | Au gpt | Au Troy Oz. |
| 1,086,503 | 4,444,762 | 4.09 | 142,902 |
| Inferred | |||
| Tonnage | Au Grams | Au gpt | Au Troy Oz. |
| 582,878 | 1,739,014 | 2.98 | 55,911 |
| Totaled Measured, Indicated, Inferred | |||
| Tonnage | Au Grams | Au gpt | Au Troy Oz. |
| 1,669,381 | 6,183,776 | 3.70 | 198,813 |
| 11-1 |
Table 11‑2 Open Pit Resource (Included in the overall resource reported in table 11-1)
| Skookum OP Resource | ||||
|
| Tonnes | Au Grams | Au gpt | Au Troy Oz |
| Measured | 70,477 | 245,779 | 3.49 | 7,902 |
| Indicated | 29,121 | 98,190 | 3.37 | 3,157 |
| Inferred | 18,102 | 71,907 | 3.97 | 2,312 |
| M+I | 99,598 | 343,969 | 3.45 | 11,059 |
| Total | 117,700 | 415,876 | 3.53 | 13,371 |
Notes:
|
| 1. | Classification of Mineral Resources is in accordance with the S-K classification system. |
|
| 2. | Mineral Resources were estimated by IDR staff and reviewed and accepted by the QP’s. |
|
| 3. | Mineral Resources are exclusive of Mineral Reserves |
|
| 4. | Mineral Resources are not Mineral Reserves, and do not have demonstrated economic viability. |
|
| 5. | Revenues produced at the Golden Chest are subject to a 2% NSR Royalty. |
|
| 6. | Bulk density was calculated based on laboratory testing of representative vein samples and applied to the vein shapes. |
|
| 7. | Mineral Resources are estimated using a 2 gram per tonne (gpt) cut-off grade for each of the zones underground. The surface portion of the resource was optimized using Vulcan pit optimizer with open pit mining costs from the operation and results in a surface resource with a cut-off grade of 1.4 gpt. |
|
| 8. | Cutoff values used were calculated using the three-year trailing average gold price of $2,580 USD/Troy Oz and adjusted by IDR staff based on mining experience and a reasonable operating margin. |
|
| 9. | Numbers may not add due to rounding. |
The QP’s are of the opinion that with consideration of the recommendations summarized in Sections 1.0 and 23.0 of this TRS, any issues relating to all relevant technical and economic factors likely to influence the prospect of economic extraction can be resolved with further work.
| 11-2 |
11.2 Estimation of Veins at the Golden Chest
11.2.1 General Methodology
Twelve individual veins were modeled and one other domain, not associated with veins was modelled. Each of these individual domains are listed below in table 11-3.
Table 11‑3 Golden Chest 2025 Domains that were estimated
| Domain Name |
| Paymaster Footwall Vein |
| Paymaster Hangingwall Vein |
| Paymaster Hangingwall Splay |
| H Vein |
| Jumbo Vein |
| Bush Vein |
| Bush Splay |
| Klondike Hangingwall |
| 31 Vein |
| 37 Vein |
| Popcorn Vein |
| Popcorn Hangingwall Splay |
| Idaho Vein |
Surface resources were not re-estimated during this 2024 update. No drilling or mining of this zone provided additional information or depleted it. Updates were made to the Idaho vein, H-Vein, Paymaster Veins, Jumbo and Bush Veins, 31 Vein, 37 Vein, Klondike Hangingwall zone, and Popcorn Veins.
Grades were assigned to blocks in each individual model by inverse distance squared (ID2) weighting. Blocks within the vein domains were constrained by vein wireframe solids.
Because of the narrow and high-grade nature of majority of the veins at the Golden Chest (observed 0.1 m to 3+m) compositing was constrained to the shapes of the vein solids. This method was chosen to limit geostatistical influences from other domains that would not be representative of the narrow veins. This necessitated thinner blocks to accurately represent the vein volume and tonnage. Sub-blocked models were created in Leapfrog Edge with the model grid aligned to the strike and dip of the veins. These models have variable Z-dimensions and fixed X-Y dimensions. For the H-Vein and hanging wall veins, parent blocks of 10 m x 10 m x 10 m were created with 2 m x 2m x variable thickness in the Z-dimension, down to 0.1m. For the Idaho and Paymaster veins, a larger 20 m x 20 m x 20 m parent block scheme with a 4 m x 4m x variable Z sub-blocking scheme was used to account for wider drillhole spacing. This sub blocking scheme allowed strike and dip changes to be accurately modeled as well as areas where the vein necked down to its observed minimum of 0.1 m. All sub-block grades were assigned by the estimation of the parent block to honor the resolution of the drillhole spacing. The dilution added to the estimated resource and reserve models was accomplished by utilizing the Vulcan add-on of the Alford Mining Systems (AMS) Stope Optimiser. By allowing the stope optimization to add zero grade value material to the minimum mining widths achievable, a diluted grade for the Golden Chest Resource and Reserve was attained.
Wireframes were completed using Leapfrog Geo. Idaho Strategic geologists coded each vein intercept in the drillhole database and solids were created using the coded database. Wireframes were then used for estimation in Leapfrog Edge. Leapfrog and Vulcan are both off-the-shelf mining software packages that are common to the mining industry.
The Golden Chest veins were composited strictly by wireframe volume. The expected mining dilution of the veins geometry was added by using the AMS stope optimization. The minimum mining width used to define Resources was 2.4 meters.
| 11-3 |
The Mineral Resources reported here are derived from block model estimates as of December 31, 2025. Mineral Resources are reported exclusive of Mineral Reserves.
11.2.2 Resource Database
The Golden Chest drill-hole database consists of 485 diamond and RC drill holes. Of the total holes 29 are RC and 456 are core holes. The cut-off date for the resource database was all core holes drilled in 2025 and H-Vein/Jumbo vein chip samples through December 31, 2025
Because the H-Vein model is constrained by the wireframe muck samples were not used in its estimation. It was also found through mining and milling experience during 2023 that by calculating the expected grade of a given round using chip samples of the vein and measured heading width, a more accurate estimate of the mill feed grade could be achieved. The sampling database used in estimation included 950 chip samples that were taken by company geologists. The chip samples were placed in space by the distance recorded by the geologist of the face the sample was taken from. A horizontal line was placed at the appropriate face distance and this was the representation of the vein chip sample in space. This results in a composite value representing the grade of the vein wireframe at the appropriate location. This width information was also used to inform the vein wireframe along with drillhole intercepts.
Table 11‑4 Summary of Samples from the Golden Chest
| Sample Type | Number of Samples | Average Sample Length (m) | Total Length (m) |
| Core Holes | 22,877 | 1.2 | 74,595 |
| RC Holes | 1,743 | 1.6 | 2,660 |
| H vein Chip Samples | 933 | 0.7 | 684 |
| Jumbo Vein Chip Samples | 17 | 0.5 | 8 |
11.2.3 Geological Modelling
There are twelve distinct veins modelled at the Golden Chest. They are narrow structures generally striking between 5 degrees NNE and 30 degrees NNE. The dips are generally 35-45 degrees to the west with the exception being the H-Vein in the hangingwall of the Idaho Fault which dips 72-75 degrees to the west. Mineral Resources are reported as the sum of the potentially economically viable areas for each of these domains based on stope optimizer acceptable minimum widths, engineer’s judgement on overall tonnage that would be potentially economic, the geologic understanding, and data spacing requirements defined in this report.
A solid model for each of these veins was created using Leapfrog Geo and Edge was used for block modelling. The block model extents were selected to aid in modelling veins by their distance into the hangingwall or footwall of the Idaho Fault. The figure below shows the H-Vein and Idaho Vein models which were updated with the 2025 drilling information.
| 11-4 |

Figure 11‑1 2025 Vein Shapes with Drill Traces
11.2.4 Exploratory Data Analysis
Core, RC, and chip samples from the H-Vein and Jumbo vein were used for estimation. In the remainder of the vein domains there is no chip sample data, therefore RC and core drilling samples were used exclusively in the veins other than the H-Vein and Jumbo.
The figures below show raw statistics and histograms for the Skookum area H-Vein and Paymaster (Idaho) domains. Statistics and graphs for the other domains can be found in Appendix 1.
| 11-5 |

Figure 11‑2 Histogram and General Statistics of the H-Vein within the H-Vein Domain

Figure 11‑3 Histogram and General Statistics of the Paymaster Footwall (Idaho) Vein
| 11-6 |

Figure 11‑4 Histogram and General Statistics of the Paymaster Hangingwall Vein
11.2.5 Grade Capping
Evaluating the cumulative frequency plot for the H-Vein showed a definitive flattening after a 60 gpt grade. This higher capping number is reasonable given that the H-Vein was modeled as the vein domain only, and external dilution when mining was accounted for using the stope optimizer. A capping value of 60 gpt was chosen for all estimated blocks which is also supported by vein chip sampling where approximately 92% of sampled vein chips fall below 60 gpt.
| 11-7 |

Figure 11‑4 CDF of the H Vein Composite Database

Figure 11‑5 Histogram of H-Vein Domain Blocks
| 11-8 |

Figure 11‑6 CDF and General Statistics of H-Vein Chip Samples
11.2.6 Compositing
Compositing is necessary to place the sampling information on the same level of support, i.e. lengths. Sample lengths in the Golden Chest database ranged from 0.03 to 4.7 meters. Although a minimum sample size protocol of 3 m below contacts of interest is in place, core loggers may break the 3 m of continuous sampling around areas of interest into smaller sections if different zones of interest are identified. The cumulative frequency chart below shows that approximately 99% of the samples fall between 0.1 m and 2 m as 0.1 m is the minimum length sample after minimum sampling protocols were established.
| 11-9 |

Figure 11‑7 Cumulative Frequency Chart of Sampling Lengths in the Golden Chest Database

Figure 11‑8 Histogram of Sample Lengths for the Golden Chest Database
| 11-10 |
Veins at the Golden Chest are relatively narrow and vary in width along the dip and strike of the vein. Compositing for the vein domains estimated in 2025 was carried out on the basis of the vein shapes. A single composite value that represented the length weighted average grade of all samples from a given drill hole was created. All assay data outside of the vein domains was composited at 3 m run length composites.

Figure 11‑9 Histogram of composite lengths for the H-Vein
| 11-11 |

Figure 11‑10 Histogram of Paymaster Footwall (Idaho) Composite Lengths
11.2.7 Geostatistics
Variogram analysis from the 2023 Technical Report Summary (TRS) was used in the search radius definition of this report as no significant new geostatistical trends were apparent. Search parameters for the estimation were derived through variogram analyses of each domain. It was generally found that at a range of 55 m to 60 m in each of the domains the sill was reached. It was therefore decided to estimate the blocks in two passes which essentially resulted in estimating what would become Measured and Indicated resources first, and then to leave those blocks out of a second estimation pass with increased search radius to estimate inferred blocks. Each of the variograms showed generally the same ranges up-dip and along strike for each of the domains investigated. The width of the search ellipse was set at 6 m, or approximately two times the horizontal mining width to include samples in areas where the vein changed dip or strike significantly for a short period and then resumed the average dip and strike. The Nugget was estimated from downhole variograms. The results for the Idaho Vein experimental and model variograms are shown below. The remaining domain variograms can be found in Appendix 2. Each of the variograms is oriented in the plane of the vein and rotated to the plane of least variability within the domain along that plane. It was noted that in the majority of the vein domains the ellipsoid could be reasonably considered valid as a 50 m range around a given data point in the plane of the vein.
| 11-12 |

Figure 11‑11 Idaho Vein variogram model with pair counts. Major and minor axis illustrate ranges in the 55–60-meter range
11.2.8 Block Model Geometry
The Golden Chest Block Models were created in Seequent’s Leapfrog Edge which is an off-the-shelf mining software. All of the models were rotated to approximate the plane of each vein and utilize a variable Z-dimension-sub blocking scheme. This rotation was undertaken to limit the overall number of blocks by more accurately approximating the geometry. This helped with computing requirements required to accurately calculate the volumes of these narrow veins. Block model grade was estimated into the parent blocks to avoid unrealistic grade resolution based on the drill hole spacing. Maximum parent block size varied by domain but was based on ½ the average in plane drillhole spacing. This was decided to be a reasonable resolution of each of the vein shapes.
Table 11‑5 Block Model Variables and Descriptions
| Block Model Variables
| |
| Variable | Description |
| air | Value of 1 for blocks above topography, used in pit optimization |
| aniavgdist | Anisotropic average distance to samples used to estimate a block |
| anidist | Anisotropic distance to the closest sample used to estimate a block |
| auid2 | ID2 estimated Gold Grade |
| awtavgdist | Anisotropic weighted average distance to samples |
| cartavgdist | Cartesian average distance to samples |
| cwtavgdist | Cartesian weighted average distance to samples |
| density | Rock density |
| dhnum | Number of drill holes used to estimate a block |
| 11-13 |
| indicated | indicated category |
| inferred | inferred category |
| klgg0-5 | processing scenarios for open pit optimization |
| measured | measured category |
| pass1 | Estimated on the first pass |
| pass2 | Estimated on the second pass |
| passcount | number of passes |
| pit22 | Optimal pit at 2022 inputs |
| pit220-225 | Nested pits at varying revenue factors (gold prices) |
| sampdist | Distance to the nearest sample |
| sampgrade | Grade of the nearest sample |
| volume | Volume of a block |
| xcentre | Easting of the block centroid |
| xlength | Length of a block in the Easting direction |
| xworld | Easting in world coordinates |
| ycentre | Northing of the block centroid |
| ylength | Length of a block in the Northing direction |
| yworld | Northing in world coordinates |
| zcentre | Elevation of the block centroid |
| zlength | Length of a block in the vertical direction |
| zworld | Elevation in world coordinates |
11.2.9 Search and Interpolation Parameters
Gold grades are estimated into blocks using the Inverse Distance Squared weighting method (ID2). The grade interpolation was carried out in two passes of increasing search radius. Search ellipsoids are oriented in a best-fit method in the plane of each vein domain. To mitigate the potential bias of high-grade distant samples in the H-Vein domain, a restriction was placed on the model to limit the area of influence of high-grade samples (>80 gpt) and limit their effect to a 12.5 m radius. For the very high grade and nuggety Jumbo vein, a higher restriction of 150 gpt and a tighter restriction radius of 7.5m was used. For the H, Idaho, and Paymaster Hangingwall vein domains the search parameters remained the same as supported by geostatistical analysis with a 50m search radius for the first pass. For the smaller vein domains with less data like the Jumbo and Bush, a tighter radius of 30m was used for the first pass.
Table 11‑6 Estimation Parameters
| Pass | Min Samples | Max Samples | Max. Samples per Drillhole | Min. Drillhole | Max. Drillhole |
| 1 | 2 | 10 | 2 | 2 | 10 |
| 2 | 2 | 10 | 2 | 2 | 10 |
| 11-14 |
The minimum number of drillholes constraint was used to estimate only those blocks which would fall into the Inferred category as the lowest confidence blocks. A majority of the Inferred blocks were estimated in Pass 2 while the majority of Measured and Indicated blocks were estimated in Pass 1.
11.2.10 Density
A rock density of 2.65 tonnes per meter cubed was used for the entire block model which was derived from samples taken over the life of the project by various geotechnical and geochemical laboratories.
11.2.11 Classification
SK-1300 Mineral Resources and Mineral Reserves must be classified according to the definitions of the Committee for Mineral Reserves International Reporting Standards (CRIRSCO). The definitions for Mineral Resources, Reserves, and their respective classifications are as follows.
|
| 1. | Mineral Resource- A Mineral Resource is a concentration or occurrence of solid material of economic interest in or on the Earth’s crust in such form, grade or quality and quantity that there are reasonable prospects for eventual economic extraction. The location, quantity, grade or quality, continuity and other geological characteristics of a Mineral Resource are known, estimated or interpreted from specific geological evidence and knowledge, including sampling. |
|
|
|
|
|
| 2. | Measured Mineral Resource- A Measured Mineral Resource is that part of a Mineral Resource for which quantity, grade or quality, densities, shape, and physical characteristics are estimated with confidence sufficient to allow the application of Modifying Factors to support detailed mine planning and final evaluation of the economic viability of the deposit. Geological evidence is derived from detailed and reliable exploration, sampling and testing and is sufficient to confirm geological and grade or quality continuity between points of observation. A Measured Mineral Resource has a higher level of confidence than that applying to either an Indicated Mineral Resource or an Inferred Mineral Resource. It may be converted to a Proved Mineral Reserve or to a Probable Mineral Reserve. |
|
|
|
|
|
| 3. | Indicated Mineral Resource- An Indicated Mineral Resource is that part of a Mineral Resource for which quantity, grade or quality, densities, shape and physical characteristics are estimated with sufficient confidence to allow the application of Modifying Factors in sufficient detail to support mine planning and evaluation of the economic viability of the deposit. Geological evidence is derived from adequately detailed and reliable exploration, sampling and testing and is sufficient to assume geological and grade or quality continuity between points of observation. An Indicated Mineral Resource has a lower level of confidence than that applying to a Measured Mineral Resource and may only be converted to a Probable Mineral Reserve. |
|
|
|
|
|
| 4. | Inferred Mineral Resource- An Inferred Mineral Resource is that part of a Mineral Resource for which quantity and grade or quality are estimated on the basis of limited geological evidence and sampling. Geological evidence is sufficient to imply but not verify geological and grade or quality continuity. An Inferred Resource has a lower level of confidence than that applying to an Indicated Mineral Resource and must not be converted to a Mineral Reserve. It is reasonably expected that the majority of Inferred Mineral Resources could be upgraded to Indicated Mineral Resources with continued exploration. |
Idaho Strategic personnel believe that by limiting the first pass radius to 50 m, which is based on the variogram range, and only estimating blocks where two drill holes are within the search radius, combined with limiting blocks to the created vein wireframes, the Golden Chest resource represents a conservative model which utilizes modern industry best practices to reach a reasonable estimate of resources at the Golden Chest. Golden Chest Resources are classified in the table below.
| 11-15 |
| Golden Chest Resource Classification | |
| Measured | 3 drillholes within 25 meters of the block used in the estimation |
| Indicated | 2 drillholes within 50 meters of the block used in the estimation |
| Inferred | 2 drillholes used in the estimation, distance to drill holes up to 150 meters |
Table 11‑7 Golden Chest Resource Parameters

Figure 11‑12 Measured Portion of the H Vein Block Model
| 11-16 |
The resource classification is in line with historic classifications completed at the Golden Chest and is considered reasonable based on Idaho Strategic Resources mining experience. Isolated Islands of the resource that are Measured or Indicated were evaluated for downgrading. After a grade shell review, it was found that these islands fell below the 2 gram per tonne cutoff and were already excluded from the reported resource model or were geologically continually mineralized areas that had sufficient drilling information to justify the classification.
11.2.12 Cut-off Grade
Cut-off grades for the Golden Chest Resource were calculated using the 2025 mining costs at the Golden Chest and first principle estimates for operations moving forward for both underground and surface operations. The surface mining cutoff was not recalculated from the previous TRS report.
| Surface Mining Cut-off | ||
| Variable | Value | Unit |
| Waste Mining | 3.25 | $/tonne |
| Ore Mining | 4.15 | $/tonne |
| Mill Haul Cost | 15.0 | $/ore tonne |
| Milling Cost | 38 | $/ore tonne |
| G&A | 6 | $/tonne |
| Metallurgical Recovery | 85 | % |
| Smelter Recovery (Payment) | 89 | % |
| Royalty | 2 | % |
| Gold Price | 1850 | $/troy ounce |
| In-Pit Cutoff (Mining Cost Sunk) | 1.43 | Au grams/tonne |
| PushBack Cutoff (Mining Decision) | 2.02 | Au grams/tonne |
| Underground Mining Cut-off | ||
| Variable | Value | Unit |
| Mining Cost *G&A included | 155 | $/tonne |
| Backfill Cost | 50 | $/tonne |
| Mill Haul Cost | 16 | $/ore tonne |
| Milling Cost | 60 | $/ore tonne |
| Metallurgical Recovery | 93 | % |
| Smelter Recovery (Payment | 91 | % |
| Royalty | 2 | % |
| Gold Price | 2580 | $/troy ounce |
| In-Stope Cutoff (Mining Cost Sunk) | 1.83 | Au grams/tonne |
| Go/No-Go (Mining Decision) | 4.08 | Au grams/tonne |
Table 11‑8 Cutoff calculation Inputs and results
11.2.13 Validation
Block models were validated using the following methods:
Block models were validated using the following methods:
|
| · | Visual inspection of block model versus composites as a section view |
|
| · | Comparison of composite and block means |
|
| · | Swath plots (Drift Analysis) |
| 11-17 |
11.2.13.1 Visual Inspection of Block Model vs. Composites
Visual inspection of the block model was carried out by cutting sections of the finalized model and geologic shapes and comparing block grades near to composite values and their respective values using a color scale. An example section is shown in the figure below.

Figure 11‑13 Visual Validation Slice of the 2025 Updated H-Vein Model. Composite runs 15 gpt while the nearest block runs 17gpt.
Visual validation showed reasonable agreement between composite values and blocks where the data was dense enough to project blocks.
11.2.13.2 Comparison of Composite and Block Means
The comparison of the block mean grades versus composite mean grades showed the anticipated smoothing effect that is common to an inverse distance estimation method for most domains. No domains show a block mean higher than the composite mean. Block models in the measured and indicated resource areas and reserve areas show slightly lower block grades than composite grade as is the typical case and is a conservative factor of the inverse distance method. The two domains with conspicuously high composite bias, the H-Vein and Jumbo vein, both have highly clustered high-grade data from chip samples that skew the average composite. An area of future work would be to evaluate the usefulness of other geostatistical estimation methods such as kriging and declustering
| 11-18 |

Figure 11‑14 Comparison of Composite Means versus Block Means by Domain
11.2.13.3 Swath Plots (Drift Analysis)
Swath plots were created for each of the modeled domains to compare block model grades by location to composite grades. The ID2 estimation tends to “smooth” or potentially underestimate grade in some areas of the deposit. In other areas the block model smooths the lower composite grades at a location to slightly higher grades. The underestimation of block grades compared to composite values is viewed to be more prominent as the average distance that the block model curve is below the composite peaks is larger than the distance the block model curve is above the composite lows, see figure 11-15 below. This is especially true for the areas that receive the reserve designation or the areas that have higher class resource designations. In areas where geologic uncertainty is higher it is possible to have higher block grades than composite grades. This indicates that more drilling or bulk sampling is required. This is supported generally by comparison of mean grades of composites and blocks. This is considered an area of further work and presents an opportunity for fine tuning the model.

Figure 11‑15 Swath Plot of H-Vein. Composites (Red) versus Blocks (Blue)
| 11-19 |

Figure 11‑16 Swath Plot of Paymaster Hangingwall Vein. Composites (Red) versus Blocks (Blue)
| 11-20 |

Figure 11‑17 Swath Plot of Idaho Vein. Composites (Red) versus Blocks (
| 11-21 |

Figure 11‑18 Swath Plot of Jumbo Vein. Composites (Red) versus Blocks (Blue)
| 11-22 |

Figure 11‑19 Swath Plot of Bush Vein. Composites (Red) versus Blocks (Blue)
| 11-23 |

Figure 11‑20 Swath Plot of Popcorn Vein. Composites (Red) versus Blocks (Blue)
| 11-24 |

Figure 11‑21 Swath Plot of 31 Vein. Composites (Red) versus Blocks (Blue)
| 11-25 |

Figure 11‑22 Swath Plot of 37 Vein. Composites (Red) versus Blocks (Blue)
The QP’s have reviewed the methodology used to calculate Mineral Resources and believe the Company’s estimate of Mineral Resources is acceptable and complies with SK-1300.
| 11-26 |
12.0 MINERAL RESERVE ESTIMATES
12.1 Summary
The current Mineral Reserve estimates prepared by Idaho Strategic personnel and reviewed by the QP’s are reported as of December 31, 2025. Reserves are reported for the H-Vein, Idaho Vein, Paymaster Footwall , Paymaster Hangingwall, and Jumbo Veins. Tables below show the combined Reserve, and then each mining block independently. Exploration and pre-production studies will be carried out to evaluate the potential inclusion of other areas in the Mineral Reserve. The QP’s have reviewed the Mineral Reserve calculation methodology and believe the Company’s estimates are in accordance with industry-standard practices and comply with SK-1300.
Table 12‑1 Golden Chest Underground Proven and Probable Reserves at December 31st, 2025
| Golden Chest Reserves (H, Idaho, Jumbo, and Paymaster Veins Combined) | ||||
| Proven | ||||
| All Domains | Tonnes | Au gpt | Au Grams | Au Troy Oz |
| 62,648 | 10.18 | 637,889 | 20,509 | |
| Probable | ||||
| All Domains | Tonnes | Au gpt | Au Grams | Au Troy Oz |
| 275,872 | 6.21 | 1,713,575 | 55,093 | |
| Total Proven and Probable | 338,521 | 6.95 | 2,351,474 | 75,602 |
Notes:
|
| 1. | Classification of Mineral Reserves is in accordance with S-K 1300 classification system. |
|
| 2. | Mineral Reserves were estimated by Idaho Strategic Resources and reviewed and accepted by the QP’s. |
|
| 3. | Mineral Reserves are 100% attributable to Idaho Strategic Resources. |
|
| 4. | Mineral Reserves are estimated at a cutoff of 4.0 Au PPM (grams/tonne). |
|
| 5. | Mineral Reserves are estimated using a 3-year trailing average gold price of $2,580/troy ounce. |
|
| 6. | Mineral Reserves are contained within the H-Vein, Jumbo Vein, Paymaster Veins, and the Idaho Vein. |
|
| 7. | An average mining width of 3 m was used for the Reserves reporting for the Idaho Vein, Paymaster Veins, and Jumbo Vein. |
|
| 8. | H-Vein Reserves were diluted to a 2.4 m minimum mining width. |
|
| 9. | Minimum mining width dilution is accounted for in the estimate. |
|
| 10. | Numbers may not add due to rounding. |
| 12-1 |
Table 12‑2 H Vein Portion of the 2025 Reserve
| H Vein Reserves | ||||
| Proven | ||||
| Tonnes | Au gpt | Au Grams | Au Troy Oz | |
| Unmined Levels From 868 to 697 | 28,496 | 8.97 | 255,515 | 8,215 |
| Probable | ||||
| Unmined Levels from 868 to 697 | Tonnes | Au gpt | Au Grams | Au Troy Oz |
| 11,201 | 10.95 | 122,609 | 3,942 | |
| Totals Proven and Probable | 39,697 | 9.53 | 378,124 | 12,157 |
Table 12‑3 Idaho Vein Domain Portion of the 2025 Reserve
| Idaho Vein Reserve | ||||
| Proven | ||||
| Levels | Tonnes | Au gpt | Au Grams | Au Troy Oz |
| 800ID thru 773 ID | 5,603 | 2.56 | 14,352 | 461 |
| 888ID Sublevel | 7,150 | 3.92 | 28,028 | 901 |
| Blowout Zone | 4,056 | 5.38 | 21,821 | 702 |
| Probable | ||||
| Levels | Tonnes | Au gpt | Au Grams | Au Troy Oz |
| 800ID thru 773 ID | 7,718 | 5.92 | 45,691 | 1,469 |
| Totals Proven and Probable | 24,528 | 4.48 | 109,892 | 3,533 |
Table 12‑4 Paymaster Veins Portion of the 2025 Reserve
| Paymaster Reserves | ||||
| Proven | ||||
| Levels | Tonnes | Au gpt | Au Grams | Au Troy Oz |
| 812 thru 674 | 0 | 0.00 | 0 | 0 |
| Probable | ||||
| Levels | Tonnes | Au gpt | Au Grams | Au Troy Oz |
| 812 thru 674 | 251,700 | 5.93 | 1,492,327 | 47,979 |
| Totals Proven and Probable | 251,700 | 5.93 | 1,492,327 | 47,979 |
| 12-2 |
Table 12‑5 Jumbo Vein Portion of the 2025 Reserve
| Jumbo Reserve | ||||
| Proven | ||||
| Levels | Tonnes | Au gpt | Au Grams | Au Troy Oz |
| 1092 Thru 1044 | 17,343 | 18.35 | 318,183 | 10,230 |
| Probable | ||||
| Levels | Tonnes | Au gpt | Au Grams | Au Troy Oz |
| 1092 thru 1044 | 5,253 | 10.08 | 52,948 | 1,702 |
| Totals Proven and Probable | 22,596 | 16.42 | 371,131 | 11,932 |
12.2 Conversion to Mineral Reserves
The mining method evaluated in this estimate is the Underhand Cut-and-fill method. Minimum dimensions vary by stope and are discussed in more detail in Section 13.
To evaluate the conversion of Mineral Resources to Mineral Reserves, grade shells are made around potentially economic extraction areas. Stope Optimiser is run on each of the vein domains with a minimum width corresponding to the planned minimum width achievable in each domain. After the 4 gpt Stope Optimiser run is completed, mining shapes are drawn by company engineers to take into account internal waste and development constraints. The engineered drawings also take into account more detailed cross section shapes than are achieved using Stope Optimiser. All the designed stopes had to conform to the 4.0 gpt go/no-go cutoff.
When the stope design was completed, development accesses, muck bays, escape ways, and all other necessary development were designed for the defined stoping blocks. An economic analysis was undertaken considering the necessary development and the stopes that showed a positive addition of cash flow to the mine plan were accepted into the Mineral Reserve.
12.3 Cut-Off Grade
Two cut-off grades are used for stope planning, the go/no-go cut-off and the in-stope cut-off. The go/no-go cut-off represents any material that has the potential to be mined but does not have to be mined as part of the operational plan. The go/no-go cut-off is used for initial stope planning as any given stope or sublevel does not have to be mined and should only be mined if it is economic. The go/no-go cut-off is equation is presented in Equation 1.
Equation 1 Go/No-Go Cut-off

| 12-3 |
| Underground Mining Cut-off | ||
| Variable | Value | Unit |
| Mining Cost *G&A included | 155 | $/tonne |
| Backfill Cost | 50 | $/tonne |
| Mill Haul Cost | 16 | $/ore tonne |
| Milling Cost | 60 | $/ore tonne |
| Metallurgical Recovery | 93 | % |
| Smelter Recovery (Payment | 93 | % |
| Royalty | 2 | % |
| Gold Price | 2,580 | $/troy ounce |
| In-Stope Cutoff (Mining Cost Sunk) | 1.79 | Au grams/tonne |
| Go/No-Go (Mining Decision) | 4.00 | Au grams/tonne |
Table 12‑6 Go/No-Go Cut-off Parameters
The General and Administrative (G&A) costs are included in the mining cost in Table 12-5. This formula yields a value of 4.005 gpt for the cut-off 2025 reserves as a conservative measure considering the company policy of using the 3-year trailing average gold price.
The in-stope cut-off is used when material in a defined stope must be mined to reach higher grades. In this scenario the mining cost is considered sunk and is omitted from Equation 1 as the cost was incurred regardless of the ore/waste determination at the face. Evaluating Equation 1 omitting mining cost yields a value of 1.79 gpt which was rounded up to 2.0 gpt.
12.4 Dilution
Dilution is accounted for by utilizing Stope Optimiser as the minimum selectable width in the orebody. Vein domains are composited within the vein domain resulting in a single composite within the vein. Areas outside the vein are composited on a 3-meter run length basis to estimate the grade of the material outside the vein shapes. Where the grade outside the vein shapes is unknown the grade of the material outside the vein shape is assumed to be half of the detection limit which is 0.030 gpt.
Table 12‑7 H-Vein Test Mining Dilution by Stope

This method provides a reasonable estimation of the stope dilution to be expected. Minimum mining widths were chosen from the test mining data available from the H-Vein during 2023 and 2024 production mining. This method was further supported by the 2023 planned stopes and 2024 actual production. Planned mining for 2023 was 40,900 tonnes at 9.1 grams per tonne for contained gold grams of 372,639 mined. Actual mill production was 41,140 tonnes at 9.65 grams per tonne for a contained grams amount of 397,165 representing a 6% difference between planned grams and milled grams. The 2025 production and planned tonnages and ounces showed a similar acceptable correlation with grams mined varying from grams planned by 5% and tonnages delivered to the mill varying less than 1%.
12.5 Extraction
The extraction rate for this mining method assumes 100% based on the fully diluted model, and the cutting of each planned stope to its design dimensions. This has shown reasonable correlation from modeled to mined results and is a common value for the underhand cut-and-fill mining method.
12.6 Reconciliation
Reconciliation between modeled and milled grams showed an acceptable agreement. Planned mined contained grams and contained mill feed grams varied by 6% in 2024. In 2025 planned mined grams varied from mill feed grams by 5%. This trend continues to support the resource estimation workflow is valid. Planned tonnes were within 0.3% of milled tonnes.
| 12-4 |
13.0 MINING METHODS

Figure 13‑1 Map Showing Golden Chest Workings Outline
13.1 Mining Operations – Underground
The Idaho and H Veins have been mined successfully using the Underhand Cut-and-fill method since 2015 when Juniper Mining Company leased the property and mined the Idaho Vein. Juniper Mining Company contracted Small Mines Development (SMD) to drive the main access ramp (MAR) and to mine during the lease period.
The Golden Chest is a ramp access mine that was developed as a modern rubber-tire operation. All material is transported to the surface via two underground haul trucks and occasionally a 4.6 m3 load-haul-dump underground loader (LHD). Stope rounds are transported to bays using 1.5 m3 LHD’s. Drilling advance of stope rounds is accomplished with two Tamrock Quasar single boom jumbo drills. An electric over hydraulic twin boom jumbo drill and small section (2.7 m by 2.7 m) bolting machine are in operation to further increase operational efficiencies. An electric single boom jumbo was put into service in 2025 and is the primary stoping production jumbo. The main ramp has a width and height of 4 m by 4.6 m respectively. All ventilation/secondary escape raises are mined 3 m by 3 m. Stope dimensions vary between and Idaho Vein, Paymaster, Jumbo, and H Veins. Idaho, Paymaster, and Jumbo Vein planned dimensions are 3 m high by 3 m wide, H-Vein planned dimensions are 3m high by 2.4 m wide. In some cases, portions of veins can be mined narrower. Average as-built H-Vein stopes are 2.4 m wide.
| 13-1 |
As of December 2025, the majority of the planned underground tonnage will be mined from the H-Vein, Paymaster, and Jumbo Reserves. The expansion of the Paymaster Reserve and addition of the Jumbo Reserve are the biggest impacts to the 2025 TRS report. Reserves grew from 170,819 tonnes containing 49,362 troy ounces to 338,521 tonnes containing 75,602 troy ounces. This accounts for the depletion of approximately 13,000 troy ounces in the H Vein reserves from mining in 2025. General mine design parameters are as follows:
|
| · | Minimum stope cut-off grade to make a mining decision (go/no-go cut-off) is 4.0 gpt. |
|
| · | In-stope cut-off is 2.0 gpt. |
|
| · | Underground Yearly Production Target 2025: 40,000-60,000 ore tonnes. |
|
| · | 3 Underground crews work 7 days on and 7 days off 11 hours per day 365 days per year with an additional crew working a 4 day per week 11 hour night shift. |
|
| · | Mill crews work two twelve hour shifts 4 days per week year-round. |
|
| · | Attack ramp access to the orebody is a 30 m minimum distance from the vein to be mined. |
|
| · | MAR dimensions: 4 m wide by 4.6 m tall. |
|
| · | Sublevel spacing: 12 m. |
|
| · | Stope dimensions: 3 m height by (2.4m to 3m) width |
|
| · | Minimum mining width: 2.4 m |
|
| · | Ventilation drift/raise dimensions: 3 m by 3 m. |
The current reserves at the Golden Chest represent a mine life approximately 5.5 years of milling throughput. The Paymaster Vein upgrade to Reserve was the largest change to the mine plan for 2025. From a grade and ounces contained standpoint the addition of the Jumbo Reserve from exploration drifting was a material increase in ounces to the overall Reserve.
13.1.1 Cut-and-fill Method, Skookum Shoot
The cut-and-fill method is the dominant mining method at the Golden Chest. Sublevels are accessed from the MAR which is designed to be at least 30 m from the Idaho Fault. Each sublevel consists of 4 stopes that are generally 3 m wide and 3 m high that are accessed via attack ramps that are oriented perpendicular to the strike of the vein being mined. The primary cut on a sublevel starts with the highest in elevation and proceeds underhand until the sublevel is mined out. To maintain stope vertical spacing an overhand cut, or pillar cut, is occasionally taken between cement rock filled (CRF) stopes (i.e., CRF above and below). The stope accesses are designed to split the strike length of the reserve block in half as nearly as possible given ramp design constraints. After a level is mined out, CRF is placed in the mined-out stope via LHD and truck and allowed to cure until sufficient strength is achieved to resume mining beneath. Each round taken has a round sample taken by miners and stope faces are systematically sampled by ore control geologists. Planned stopes would undergo the same systematic chip sampling. The round sample is taken by digging into the muck pile with a 2-yard mucker and sampling periodically up the muck pile face in three separate portions. Face chip samples are taken by company ore control geologists. Material routing decisions are made with both chip and muck samples.
13.2 Ground Stability
The Idaho Vein is directly associated with the Idaho Fault that bounds Units G and H of the Prichard formation at the Golden Chest. The Idaho Vein lies directly below the Idaho Fault which varies in thickness from 0.1 m to 0.5 m. The Idaho Fault and the adjacent faulted zone are a driving parameter in ground support design. Idaho Strategic Resources plans stope support standards and design considerations based on known fault thicknesses and mining experience. Each stope is designated a type and supported accordingly utilizing Swellex and Split-Set bolts of varying lengths according to ground conditions. Welded wire mesh, 2.7 m support mats, and CRF are also utilized as primary and secondary ground support depending on stope design. Bolt QA/QC consists of regular bolt pull testing to confirm manufacturer specifications and installation practice adherence. As a progressive approach to ground support a mechanized bolter designed for openings as small as 2.7 m is in use. This should increase employee safety and improve support installation efficiency. A larger bolter has been ordered which will increase efficiency in the larger MAR headings.
| 13-2 |
The H-Vein has a competent quartzite hangingwall in most places and the steeper dip is advantageous in ground support design. The Golden Chest stope bolting standard considers the H-Vein a “Type 3” ground which is currently the most competent classification of a stope. The H-Vein is supported by Split-Set bolts and 2.7 m support mats, and welded wire mesh where necessary. Swellex bolts are used at discretion where they are deemed appropriate by the mining and technical staff.
The Paymaster Footwall Vein is beneath a competent monzonite sill which is considered Type 3 ground for planning purposes as the massive competent monzonite does not have the faulting and crushed rock associated with the Idaho Fault. The Paymaster Hangingwall vein is considered Type 1 ground for planning purposes. The Hangingwall vein is directly beneath the argillite unit of the Prichard. This was taken as a conservative approach as the faulting and crushed zone is not as apparent as the Idaho Vein. It is possible that after test mining a plan to classify the Paymaster Hangingwall vein as Type 1 or Type 2 will be undertaken. Jumbo Vein ground support is planned as Type 3 Ground as it’s distance from the Idaho Fault is greater than 6 m and conditions have been verified by exploratory drifting.
The MAR is excavated in the competent quartzite of Prichard Unit G and effectively supported with the use of Split-Set bolts of varying lengths and Swellex inflatable bolts where necessary. The MAR utilizes welded wire mesh to increase safety on the skin of the opening. The bolter mentioned previously is also available for use in the MAR to improve employee safety and increase bolt installation efficiency.
13.2.1 Operating Practices
Idaho Strategic Resources implements the following practices to ensure that its support practices are in line with industry practices and practical knowledge gained from historic mining:
|
| · | Minimize stope mining time and fill time. |
|
| · | Maintaining a minimum distance of 30 m from the MAR to Idaho Fault for long term stability. |
|
| · | Utilize CRF and underhand method wherever possible to improve stability of individual cuts. |
|
| · | Utilization of Swellex bolts in hangingwall of stopes where bond strength is a critical parameter. |
|
| · | Proactive long Swellex support in areas with long spans to ensure long-term stability. |
|
| · | Minimize Idaho Fault exposure by leaving an ore remnant along the hangingwall in stopes. |
|
| · | Minimize Idaho Fault exposure by adherence to stope height and level design. |
The Golden Chest ground support measures are the result of extensive experience at the Golden Chest and careful planning of stope design requirements. The typical stope sizes and the utilization of underhand cut-and-fill reflect conservative, commonly accepted design principles that take into account the nature of the specific ground at the Golden Chest.
| 13-3 |
13.3 Underground Development
The Golden Chest has two portals to access underground workings in the H and Paymaster areas. The main haulage for material out of the mine is the South Portal. The South Portal also serves as the ventilation intake. It was driven in 2015. The North Portal was driven in 2004 and serves as the mine’s ventilation exhaust. An exploratory portal was driven in 2023 in the Jumbo Pit and will serve as the secondary escape for the Jumbo Reserve.
Development openings are designed to meet equipment and ventilation requirements with potential future production in mind. All main haulage ramps have dimensions of 4 m wide by 4.6 m tall. The North Ramp is the secondary escape/ventilation exhaust and is 3 m wide by 3 m tall. It is accessible to secondary equipment via the North Portal.
Planned Paymaster stopes would be accessed via two underground openings that tie back into the MAR. This would allow for one-way haulage traffic and utilize the existing two openings to the surface. Minor changes in the ventilation circuit would be required. An air door would be added to the Paymaster access ramp to divert fresh air to the Paymaster working headings. Jumbo vein ventilation will be supported by a small 30 hp ventilation fan as the total planned development ramp is short at only 190 meters.
13.3.1 Ground Support
Both the North and South Ramps are driven in Unit G of the Prichard formation which is a massive quartzite with favorable tunneling conditions. Ground support is carried out using Split-Set bolts and welded wire mesh. Proactive, extra-length support in the form of single run or connectable Swellex bolts is carried out at intersections and in other larger span areas to promote long-term stability. The planned Paymaster ramp would be driven in Unit G of the Prichard formation just at the current ramp is. The Jumbo ramp will be driven in Unit H of the Prichard formation, but far enough away from the Idaho fault to avoid complications from the fault material.
13.3.2 Development Performance
Initial mining by IDR took advantage of completed development done by Juniper Mining Company. IDR has hired the necessary development crews and acquired the necessary equipment to complete the needed development during 2025. IDR is on track to complete development in the planned time frame for 2026.
Table 13‑1 Development by Year and Company

13.4 Backfill
IDR has utilized Cemented Rock Fill (CRF) at the Golden Chest to provide geotechnical stability and enable efficient extraction of the orebody. The CRF is mixed at the company’s on-site surface plant and placed underground with underground trucks and LHD’s. QA/QC of the CRF is completed on at least a daily basis and more regularly if weather conditions change. QA/QC consists of cement grout pulp density determinations by the operator using a Marcy Scale, slump cone tests, and CRF unconfined compressive strength (UCS) testing is done on site as well. The automated CRF plant allows for a consistent product with QA/QC oversight from plant operators. The UCS results of specific days are tested at 7 and 28 days and tracked to ensure long term quality for backfill. Independent UCS testing results of Golden Chest CRF have yielded similar strength results to the on-site UCS testing.
| 13-4 |
13.5 Mine Equipment
The mine equipment fleet has been expanded in the previous years to allow for expanded production. At this time there is a sufficient fleet of equipment on-site and the necessary maintenance crews to care for it. Major equipment is summarized below.
Table 13‑2 Underground Mine Equipment List, Idaho Strategic Resources—

13.6 Mine Infrastructure
Mine Infrastructure is contained entirely on IDR patented mining claims at the Golden Chest. The majority of the infrastructure is immediately below the South Portal entrance to the mine. The construction of a paste plant building was completed in 2024 and an additional 500 kVA 3-phase service was installed at the paste plant. The mine infrastructure includes a total of 1000 kVA 3-phase service that is distributed in 2 locations at 500 kVA each. North and South ramps, ore bin, backfill plant, mine offices, paste plant building, and a mine shop. All milling infrastructure is located offsite at the New Jersey Mill in Kellogg, Idaho. A planned utility upgrade is planned for 2026 which will bring total installed power up to 2,000 kVA.
| 13-5 |
13.7 Open Pit Mining Operations
Three small open pits have been mined at the Golden Chest. There are no open pit Reserves at the Golden Chest. The largest of the mined pits was the Idaho Pit. The Idaho Pit was mined in 34 months from August 2016 to June 2020. All the material from this campaign of Golden Chest mining was shipped to the New Jersey mill in Kellogg, Idaho for processing using primarily flotation to produce a bulk sulfide concentrate that was marketed to Japan and South Korea. Occasional gold dore’ was produced from cleanouts of the ball mill liners where gold tends to collect. Mill statistics for this Idaho Pit campaign are summarized below.
Table 13‑3 Idaho Pit Summary (August 2016-June 2020)

| 13-6 |
14.0 PROCESSING AND RECOVERY METHODS
The New Jersey Mill located 3 km east of Kellogg, Idaho has processed material from the Golden Chest since 2017 from both open pit and underground sources. The New Jersey Mill uses a conventional bulk sulfide flotation flowsheet utilizing crushing, grinding, flotation, and paste tailings disposal. The flowsheet is depicted below in Figure 14-1.
14.1 Crushing Circuit
Ore is delivered from the Golden Chest to the stockpile pad at the New Jersey Mill by truck and pup trailers with an average payload of 30 dry metric tonnes. The ore is stockpiled with a 3 m3 front-end loader and fed to belt feeder that conveys the material to a jaw crusher where it’s crushed to pass about 10 cm. The material is then fed to a screen equipped with 1.25 cm openings. The fine material passes into the fine ore bin and the oversize material is conveyed back to a Metso HP 100 cone crusher for further crushing. Discharge from the cone crusher is fed back onto the screen feed belt so all material discharged into the fine ore bin must pass 1.25 cm.
14.2 Grinding Circuit
Ore is discharged from the fine ore bin at a rate of about 12 tonnes per hour by a conveyor that feeds a 2.5 m by 4.0 m ball mill. Lime is added on the ball mill feed conveyor to increase the pH to 10.0 in the flotation circuit. Water and a flotation collector reagent are added to the ball mill feed. The ball mill discharges into a sump where more water is added before the slurry is pumped to a hydro-cyclone that controls the grind achieved by the ball mill. Cyclone overflow is delivered to the flotation circuit and coarse particles report to the cyclone underflow which is routed back to the ball mill for regrinding.
14.3 Flotation Circuit
Cyclone overflow is piped to a trash screen at the head end of the rougher flotation circuit. Flotation reagents including Aerofloat 208, potassium amyl xanthate, and MIBC are introduced into the rougher feed. Rougher flotation consists of a single Wemco 144 cell followed by in series by the scavenger cells which are bank of five Wemco 66D cells. All rougher concentrate and scavenger concentrate reports to the cleaner circuit which consists of two banks of three Wemco 40 cells operated in series. Concentrate from the second bank of cleaner cells is the final concentrate. The concentrate is thickened and pumped to a plate-and-frame filter press where it’s dried to about 6% moisture and dropped into 2-tonne supersacks ready for delivery to copper smelters in Asia.
14.4 Tailings Circuit
Tailings from the scavenger circuit is pumped to two 4-meter diameter deep cone thickeners (DCT) operated in parallel. Flocculant is added to the feed to promote settlement of solids. The pulp density of the feed is approximately 32% solids and the underflow from the DCT’s ranges from 60% to 66% solids. Underflow is pumped using peristaltic hose pumps into the hopper of a positive displacement piston pump which generates enough pressure to deliver the paste tailings to the tailings storage facility (TSF). Clear overflow water is piped to a storage tank and recycled back through the process. Makeup water for the process is sourced from a groundwater well adjacent to the mill. The Company received a “Pollution Prevention Champion” award from the Idaho Department of Environmental Quality for its paste tailings process because of the water savings compared to conventional tailings disposal. Water is not discharged from the TSF to surface waters of the USA, but land applied to the TSF footprint.
| 14-1 |

Figure 14‑1 New Jersey Mill Flowsheet
14.5 Mill Production
Mill production and recovery for the period from 2016 through December 31, 2024, are summarized in the table below. During this period only material from the Golden Chest was processed. The material was mined from a combination of open pits and the underground mine. Approximately 48% of the mill feed was from the open pit source and the remainder from the underground.
Table 14‑1 Mill Production Summary
| Parameter | Value |
| Tonnes Processed (dry metric tonnes) | 372,350 |
| Head Grade (gpt Au) | 5.54 |
| Tailings Grade | 0.516 |
| Concentrate Grade | 317 |
| Tonnes Concentrate (dry metric tonnes) | 5,909 |
| Gold Recovery | 90.8% |
Gold recovery was lower for open pit material because the sulfides were partially oxidized which reduces recovery in the flotation circuit. The QP’s have observed that unoxidized, underground material has exhibited an average gold recovery of 93% and believe this is an appropriate recovery to use for resource and reserve calculations for underground mining.
| 14-2 |
14.6 Mill Workforce
The mill workforce is comprised of two crusher operators and eight mill operators for a total workforce of 11 individuals. The mill currently operates on a four-day week so milling capacity could be increased by adding personnel to get to a seven-day week.
| 14-3 |
15.0 INFRASTRUCTURE
The Golden Chest mining operations have been ongoing since 2012 and infrastructure at the site has been well developed to this point. Infrastructure includes a core shed, mine dry, paste plant building, and a shop building situated on the dump of the Old No. 3 Level. In 2024 a new steel-framed building 80 feet wide by 150 feet long was built on the dump of the North Portal. This building will initially house the paste backfill plant but was built large enough to house a new flotation mill of similar size to the existing New Jersey Mill. See Figure 15-1. Year-round access to the mine is provided by Forest Highway 9 which is maintained by Shoshone County. Mine water supply is provided from historic underground workings and power is provided by an overhead transmission line from Wallace with a total service capacity to the mine of 1,000 kVA. In 2026, a planned upgrade of the transmission line will increase the total available power at the mine to 2,000 kVA.
15.1 Roads and Logistics
The Golden Chest is approximately 64 km (40 mi) from Kellogg, Idaho via paved roads maintained by the State of Idaho and Shoshone County. On site access to the mine is provided by a network of dirt and gravel roads that IDR maintains. The on-site roads are graded yearly or as necessary and designed for year-round use. Snow maintenance on site is completed by a contractor and IDR employees.
| 15-1 |
15.2 Mine Layout

Figure 15‑1 Infrastructure Layout.
| 15-2 |
15.2.1 Waste Rock Storage
The Golden Chest has two areas for development rock storage. The Rock Storage Site (RSS) and the Idaho Pit. The Rock Storage Site was designed for Idaho Pit waste rock and has been undergoing concurrent reclamation. Reclamation includes regrading to a 2:1 slope and revegetation with natural flora. Approximately 3,000 trees were planted on the RSS in 2022. Recontoured slopes are seeded with grasses and local shrubbery as well.
Development rock not used for CRF is placed into the mined-out Idaho Pit which also reduces water seepage into historic underground workings.
15.2.2 Tailings Disposal
Paste tailings facilities are located at the New Jersey Mill in Kellogg, Idaho. The Golden Chest was recognized in 2015 by the Idaho Department of Environmental Quality as a Pollution Prevention Champion with an associated award for the paste tailings technology. Associated details about tailings infrastructure can be found in Section 14 of this report.
15.2.3 Power
The Golden Chest is serviced by Avista grid power in an amount not to exceed 1,000 kVA. This expansion from 500 kVA was completed in 2025. A planned expansion to 2,000 kVA is planned for 2026.
| 15-3 |
16.0 MARKET STUDIES
16.1 Market Overview
The Golden Chest ore is milled at the New Jersey Mill in Kellogg, Idaho to produce a bulk-sulfide flotation concentrate which is primarily composed of iron sulfide (pyrite). The flotation concentrate usually contains about 250 gpt gold and 80 gpt silver, and the Company is paid for both metals, though silver is a minor component of sales. On occasion the ball mill will be cleaned out and a gold-gravity concentrate will be reduced to a dore’ bullion and sold to a US-based gold refinery.
The annual global gold supply is about 160 million ounces, so the Company is a minor producer of gold on a global scale. The Company’s flotation concentrate is typically shipped to copper smelters in Asia where the pyrite helps fuel the smelting process and is also desirable because of its high gold content. Most marketing effort is spent finding a smelter that finds the concentrate suitable for its process and will buy it. The Company has contracted with a concentrate broker, H&H Metals Corp., to facilitate the marketing of its flotation concentrate since 2016.
16.2 Commodity Price Projections
The Company uses a trailing three-year average gold price to calculate Mineral Reserves and Resources. For the Mineral Reserves and Resources at the year ending December 31, 2025, the Company used a gold price of $2,580 per troy ounce. Silver is ignored in the reserve calculations. The Company’s QP’s believe the use of a three-year trailing average gold price is reasonable for the 2025 Mineral Reserves and Resources given current world economic trends and gold market fundamentals.
16.3 Contracts
As mentioned above, a concentrate broker, H&H Metals Corp. (H&H), is contracted with the Company to facilitate concentrate sales to smelters in Asia, primarily. H&H is an unaffiliated party and provides a provisional payment equal to 90% of the expected net smelter return once 10 wet metric tonnes of concentrate are produced and sampled. A final settlement is made once the concentrate has been delivered to the smelter, sampled, and assays have been traded between the parties. The H&H contract deducts fees for treatment charges, refining fees, transportation, and sampling costs. Additionally, penalties may be assessed for lead and zinc over 2% individually, and excessive moisture greater than 10% by weight.
On occasion, the Company may enter hedging contracts to lock in the gold price on flotation concentrate produced and for which it has received a provisional payment. H&H provides the hedging as part of their service to the Company.
IDR employees perform the mining and mill duties, but the Company also contracts with a local general contractor for ore haulage to the New Jersey mill, and other associated earthwork. This contracted work is usually performed for an hourly rate competitive with local market conditions.
| 16-1 |
17.0 ENVIRONMENTAL STUDIES, PERMITTING, AND PLANS, NEGOTIATIONS, OR AGREEMENTS WITH LOCAL INDIVIDUALS OR GROUPS
17.1 Environmental Studies and Permitting
The Golden Chest Mine and New Jersey Mill are both located on private land and although no comprehensive baseline environmental impact study has been completed, all the required permits to operate have been obtained and are detailed below. Each permit application addresses the potential environmental impact of the operation, has plans for monitoring, and presents a reclamation or closure plan. A summary of the permits held by the Company for mining at the Golden Chest are summarized in the table below.
Table 17‑1 Environmental Permits

17.2 Surface Mine Permit
The Golden Chest has a surface mining permit and reclamation plan from the Idaho Department of Lands (IDL) to allow operating an open pit mine. The plan presents a design for a rock storage site, addresses open pit slope stability, water monitoring activity, and Best Management Practices (BMP’s) to control runoff and mitigate the impact of the surface mining operation. The reclamation plan includes re-sloping the waste rock site to a 2 to 1 slope, placing a topsoil cover and reseeding. Mitigation plans for potential acid rock drainage are also included and a post-closure monitoring period of five years is part of the plan. A cash bond of $103,000 which is the estimated reclamation cost was posted with IDL. Water is monitored for pH and metals at five different surface monitoring sites and three ground monitoring wells on a quarterly basis under a Quality Assurance Project Plan (QAPP) and results are submitted to the Idaho Department of Environmental Quality (IDEQ).
Surface disturbance associated with the underground mine is permitted under the surface mining plan and discharge water from the underground is land applied under an exemption from permitting by the IDEQ or pumped to the shallow injection well site permitted with the Idaho Department of Water Resources (IDWR).
| 17-1 |
17.3 Tailings Storage Facility (TSF) Permit
The New Jersey Mill utilizes a unique tailings disposal technique known as paste tailing disposal which recycles process water and minimizes water stored in the TSF by thickening tailings and discharging to the TSF at high pulp densities. This greatly simplifies the permitting as there is no discharge of water to surface waters of the US.
An engineered plan for the expansion of the existing New Jersey Mill TSF was completed by a third-party engineering firm and submitted to the Idaho Department of Water Resources (IDWR) in 2021. IDWR approved the plans for construction in 2022. The TSF expansion plan has a downstream buttress to increase post-earthquake stability. A cash bond of $117,000 was posted with the IDWR which is the estimated reclamation cost. A post closure plan calls for capping the tailings with clean fill and seeding with grass and conifer trees. A five-year post closure monitoring period is part of the TSF expansion plan.
17.4 Cyanidation Permit
The New Jersey Mill holds an Idaho cyanidation permit from the IDEQ that was originally planned for a concentrate leach circuit. Approximately 130 tonnes of concentrate were leached before the Company decided to submit a closure plan to the IDEQ since the process was deemed unnecessary. Estimated closure costs related to the cyanidation plan are $25,000 which was posted with the IDEQ in the form of a certificate of deposit. The closure plan is currently under review by the IDEQ and a water monitoring program that includes monitoring three groundwater wells and three surface water sites will continue for five years past the closure date of the TSF.
17.5 Stormwater Permits
Both the mine and the mill hold US EPA Multi-Sector General Stormwater Permits. A series of BMP’s such as straw wattles, silt fences, sumps, and ditches are used to mitigate erosion and the impact of stormwater runoff from the mine and mill. BMP’s are monitored quarterly concurrent with water sampling.
17.6 Community and Social Aspects
As stated on the Company’s website, “Idaho Strategic Resources’ corporate philosophy is a direct reflection of the personal motivations and individual belief systems of our employees and preferred contractors. We live, work, and raise families in the extended communities where we operate, thus we have a deep-seated desire to protect our neighborhoods and environment for future generations. We are committed to preserving the best elements of our history while remaining open to opportunities to restore and protect our environment. Idaho Strategic Resources promotes a policy of “We Live Here” when it comes to relationships with the community.” The Company’s hiring practice of employing local employees where a low turnover rate is observed and procuring supplies and services from local vendors demonstrates the Company’s commitment to the local community in the opinion of the QP.
17.7 Comments on Environmental Permitting and Monitoring
The QP’s believe the Company’s operations are adequate and in compliance with the appropriate environmental regulations. Current permitting and monitoring tasks are handled by the engineering and geology staff. The scope of operations has increased enough that hiring an environmental professional is recommended.
| 17-2 |
18.0 CAPITAL AND OPERATING COSTS
18.1 Capital Costs
Capital costs for the Golden Chest are comprised of development costs for the Main Access Ramp (MAR), capital for mining equipment, and mill capital. All dollar amounts are presented in U.S. dollars (USD).
This development consists of the Main Access Ramp (MAR) meterage/tonnage, attack ramps, ventilation raises, and ancillary development (sumps, muck bays, laydowns, etc.). If specific equipment or infrastructure is required to reach a stope block, then it is included in the capital for that specific block. Development costs for the 2025 Reserve are shown below, this arrangement represents the current reserve schedule for the H-Vein, Idaho Vein, Jumbo Vein, and Paymaster Vein. The schedule may change as more reserves or other targets are identified. This schedule is provided only to estimate the capital and operating costs associated with the current reserve as of December 31, 2025.
Table 18‑1 Development Cost Estimates Associated with Reserves
| Total | Unit | 2026 | 2027 | 2028 | 2029 | 2030 | 2031 | ||
|
|
|
|
|
|
|
|
|
| |
| MAR Tonnes | 172,655 | Tonnes | 29,030 | 42,213 | 37,117 | 35,921 | 17,447 | 10,927 | |
| Attack Ramp Tonnes | 189,165 | Tonnes | 30,790 | 26,290 | 24,097 | 45,337 | 42,278 | 20,374 | |
|
|
|
|
|
|
|
|
|
| |
| MAR Cost | $10,359,297 | USD | $1,741,800 | $2,532,788 | $2,227,006 | $2,155,277 | $1,046,819 | $655,607 | |
| Attack Ramp Cost | $11,349,927 | USD | $1,847,400 | $1,577,406 | $1,445,811 | $2,720,202 | $2,536,662 | $1,222,446 | |
Capital costs are estimated based on the long-range design necessary to develop the entire 2025 Reserve. The development costs are derived from actual costs from mining and are considered to be within plus or minus (+/-) 15%.
Some development may have already occurred, and some levels may be left idle depending on management’s mining decisions. The purpose of attributing development costs to the reserve block is to illustrate the economic prospects of the reserve block to pay back its attributable development.
Mine capital costs are estimated at $20,500,000 for the life of the 2025 reserve. The bulk of the project capital ($10,000,000) is spent in the first year. This represents mill construction and mine upgrades to efficiently extract the current reserve. The required equipment to develop the 2025 Reserve is in place. This approach is conservative in that it assumes that no new reserve tonnes are identified, although new reserves have been identified in prior years.
18.2 Operating Costs
Operating costs used for the definition of reserves at year end 2025 are based on the previous year’s calculated costs per tonne with adjustments for the projected year’s mill feed source. Operating costs for the Golden Chest are based on actual cost information from the mining operation and represent accuracies of +/-10%. A table of operating costs is shown below.
| 18-1 |
Table 18‑2 2025 Annual Costs per Tonne and Mine Planning/Reserve Costs Used.

| 18-2 |
19.0 ECONOMIC ANALYSIS
19.1 Economic Criteria
Underground Mineral Reserves represent approximately 6 years of mill feed at the New Jersey Mill/Golden Chest Mill. Additional Reserves may or may not be defined by future mining and drilling operations. For this economic analysis only the currently defined Reserves are included. The 2025 Reserve was evaluated on a yearly basis including estimated capital costs for economic viability.
19.1.1 Physicals
|
| · | Total mill feed processed: 338,521 tonnes |
|
| · | Average processing rate: 175 tonnes per shift |
Table 19‑1 Underground Reserve Scenario Production Summary
| Commodity | Head Grade (gpt) | Mill % Recovery | Mill Recovered Au Troy Oz. |
| Au | 6.95 | 93 | 70,300 |
19.1.2 Estimation Parameters
|
| · | Gold price used in the economic analysis is a constant $2,580 per troy ounce representing a 3-year trailing average (2025,2024,2023). |
|
| · | Constant smelter payment factor of 91% |
|
| · | Constant Net of Smelter Royalty (NSR) of 2% |
|
| · | Constant Ore haulage cost of $16.00 per tonne |
|
| · | Constant milling cost of $60.00 per tonne |
|
| · | Constant ore mining with fill of $190.00 per tonne |
|
| · | Constant G&A cost of $15.00 per tonne |
|
| · | Constant development cost of $60.00 per tonne |
|
| · | Reserve life of six years |
|
| · | Capital costs of $20,500,000 for the six-year period including mill construction, ramp development, and sustaining capital. |
19.1.3 Taxation and Royalties
Idaho Strategic Resources pays property tax in Shoshone County and occasionally a Net Profit Tax to Shoshone County. Federal and state income tax is anticipated to be paid in 2026. For the purpose of demonstrating economic viability, income taxes are ignored in this analysis.
The current production zone is subject to a 2% NSR royalty payable to Calibre Mining Corp. which is included in the estimate. Property taxes and net profit taxes paid to Shoshone County are minor compared to the 2% NSR and are neglected in this analysis.
19.2 Cash Flow Analysis
Cash flow analysis of the Golden Chest Mineral Reserves is presented below. The cash flow considers mill feed, grade, and tonnes, as well as associated operating and capital costs discussed in previous sections. A 10% discount rate was applied for a net present value (NPV) analysis. A 10% discount rate was chosen as the company feels that this is an appropriate discount rate given the inherent uncertainty of any underground mining operation. The schedule mines the reserve in all vein domains while balancing mill feed tonnes and metallurgically recovered ounces as much is possible.
| 19-1 |
The results of this analysis indicate a positive cash flow of approximately $29,515,000 over 4 years at the base case. Capital requirements are paid within the year and the positive cash flow indicates economic viability at the base case $2,580 per troy ounce gold price. The NPV at a 10% discount rate is approximately $21,550,000 over the six-year project period.
Table 19‑2 Table of Golden Chest Underground Reserve Cash Flows

19.3 Sensitivity Analysis
The Golden Chest underground reserve’s annual cash flow was evaluated for its sensitivity to the following variables.
|
| · | Metal grade |
|
| · | Metal recovery |
|
| · | Metal price |
|
| · | Operating costs |
|
| · | Capital costs |
| 19-2 |

Figure 19‑1 Sensitivity Analysis of Golden Chest Underground Reserves
All relationships between a single variable and the cash flow are linear and can be interpolated further to estimate further variances from the base case.
The sensitivity analysis illustrates a commonly found sensitivity to metal prices and recoveries. Milling recovery, smelter payment, grade, and gold price show an exact relationship with each other, and are the most sensitive variables in the estimate. The Operating Costs are the second most sensitive variable.
| 19-3 |
20.0 ADJACENT PROPERTIES
Like other long lived mining districts, there are abundant patented and unpatented claims in the area. Two notable, large claim groups; the Mother Lode and Butte Gulch, are immediately adjacent to the mine. IDR patented and unpatented land, adjacent patented land and historic mining prospects are shown in Figure 20-1.
The Mother Lode claim block consists of 6 patented claims and 26 unpatented claims. The claim block is currently owned by Mother Lode Gold Mines, Inc. (William Campbell, Spokane, Washington, USA). The Mother Lode claim block lies on the south side of Prichard Creek, and to the southwest of the mine. When Newmont Exploration Limited was exploring at the Golden Chest (1987-1990), they had extended their mine boundary to include the Mother Lode property due to it containing similar geology. Some drilling was completed before the Mother Lode was returned to its owner. Total historical gold production from the Mother Lode mine is unknown, but is probably greater than 25,000 oz (Shenon, 1938). Most of this production occurred before 1917.
The Butte Gulch patented claim group adjoins the east side of the mine. The Butte Gulch property was part of the Golden Chest land package until the early 1990’s, when it was divided. In 2019, IDR purchased the mineral rights to the Butte Gulch patented claim group. The surface rights of the Butte Gulch property were purchased in 2024. Butte Gulch was placer mined during the original Murray gold rush and has been reworked several times since, with the latest work occurring in the 2020’s.

Figure 20‑1 Map of Adjacent Properties
| 20-1 |
21.0 OTHER RELEVANT DATA AND INFORMATION
No additional information or explanation is necessary to make this TRS understandable and not misleading.
| 21-1 |
22.0 INTERPRETATION AND CONCLUSIONS
The QP’s offer the following interpretations and conclusions by area.
22.1 Geology and Mineral Resources
|
| · | The Company has completed a Mineral Resource Estimate for the year ending December 31, 2025 and the QP’s have reviewed the estimate and find it to be consistent SK-1300. Measured and Indicated Resources at the Golden Chest Mine total 1,086,503 tonnes at a grade of 4.09 gpt gold with Inferred resources totaling 582,878 tonnes at a grade of 2.98 gpt gold. The Mineral Resources are exclusive of the Mineral Reserves. |
|
| · | Core sampling is supervised by professional geologist and sampling procedures meet industry best practices. |
|
| · | The sample preparation, security, and analytical procedures for core samples were consistent with generally accepted industry best practices. |
|
| · | The QA/QC procedures for core samples are consistent with generally accepted industry standards. However, a persistent, low bias in assay results was found in the 3 gpt standard and 4 4 gpt standard. But in the second half of 2025 it appears that the low bias was no longer present. |
|
| · | Blanks and standards are currently included with round samples from the stope rounds on a weekly basis. |
|
| · | The QP’s review of database validation yielded no deficient procedures or data. The sample database is valid for reserve and resource calculations. |
22.2 Mining and Mineral Reserves
|
| · | The Mineral Reserve estimate of has been reviewed by the QP’s and found to be in accordance with the definitions for Mineral Reserves in S-K 1300. Mineral Reserves at December 31, 2025 are 338,521 tonnes at an average grade of 6.95 gpt gold using a gold price of $2,580 per troy ounce. |
|
| · | About two-thirds of the Mineral Reserves are in the Paymaster Veins, with the remainder split nearly equally between the H-Vein and Jumbo Vein. |
|
| · | Mineral Reserves are prepared by qualified personnel with appropriate supervision using industry-standard mining software. |
|
| · | The QP’s believe the use of a trailing three-year average gold price is appropriate and consistent with generally accepted practices within the mining industry. |
|
| · | The mining methods at the Golden Chest are underhand cut-and-fill utilizing cemented rock fill (CRF) and overhand cut-and-fill using gob (waste) fill where appropriate in the stopes. |
|
| · | The mining method is appropriate for this type of vein deposit and the ground conditions with minimum widths of 2.5 m in the H-Vein and Paymaster Veins while an average stope width of 3.0 m is utilized in Paymaster and Jumbo stopes. |
|
| · | The Mineral Reserve is based on the underhand cut-and-fill, and the overhand cut-and-fill mining methods. |
|
| · | Dilution is accounted for in the Mineral Reserve estimate and extraction is assumed to be 100%. |
|
| · | The ground support plan with the use of Swellex-bolts in conjunction with CRF in the Idaho Vein has improved geotechnical stope stability. |
|
| · | The mine uses 1.5 m3 rubber-tired LHDs along with diesel-hydraulic drill jumbos, a 22-tonne haul truck, and a 30-tonne haul truck. |
| 22-1 |
22.3 Mineral Processing
|
| · | Material is shipped from the Golden Chest Mine in Murray, Idaho to the New Jersey Mill in Kellogg, Idaho for processing using highway dump trucks with pups. |
|
| · | The New Jersey Mill operates as a bulk flotation plant at a rate of approximately 40,000 tonnes per year to produce a bulk-sulfide concentrate for sale to copper smelters in Asia. |
|
| · | The mill has processed nearly 372,350 tonnes of material from the Golden Chest open pit and underground and achieved gold recovery of 90.8% with an average concentrate grade of 317 gpt gold. |
|
| · | The mill has achieved higher gold recovery of 93% for straight underground material, the Idaho and H-Veins. This is an appropriate gold recovery to use for underground Mineral Reserve estimates. |
|
| · | Previous campaigns of processing material from the Golden Chest at the 100 tpd New Jersey Milling from 2005 to 2009 provided metallurgical testing information at a bulk-sample scale. |
|
| · | RDI performed metallurgical testing evaluating gravity, flotation, and cyanidation processes using core samples from the Skookum Shoot. |
|
| · | Blue Coast Research performed flotation test work that demonstrated slightly higher gold recoveries could be achieved with a finer grind. |
|
| · | The New Jersey Mill utilizes the novel process of paste tailings disposal and recycles process water to minimize its impact on the environment. |
22.4 Infrastructure
|
| · | The Golden Chest Mine is accessible all year round via a paved highway known as Forest Highway 9 and has all the necessary infrastructure to mine at the current rate. |
|
| · | An expansion to provide another 1,000 kVA was substantially advanced in 2025. |
22.5 Environment
|
| · | The Golden Chest Mine and New Jersey Mill have all the necessary environmental permits to operate. |
|
| · | The Company has posted bonds to cover the cost of reclamation at both the Golden Chest and New Jersey Mill. |
|
| · | The Company promotes a “We Live Here” philosophy which encourages a commitment to the environment because employees and management all live and recreate in the local area. Local hiring and buying are also encouraged under this philosophy. |
| 22-2 |
23.0 RECOMMENDATIONS
The QP’s offer the following recommendations by area.
23.1 Geology and Mineral Resources
|
| 1. | Continue to drill each vein identified at the Golden Chest as all are open to define increased resources. |
23.2 Mining and Mineral Reserves
|
| 1. | Evaluate other geostatistical methods such as Kriging and try to optimize grade estimation. |
|
| 2. | Complete the construction of a paste backfill system for the potential to reduce operating costs. |
|
| 3. | Attempt to expand Mineral Resources and Reserves with more core drilling targeting the H-Vein, Paymaster Veins, and the Klondike (Red Star) area. |
23.3 Mineral Processing
|
| 1. | Consider hiring a metallurgical engineer to manage the mill and metallurgical programs as the scope of the entire operation has increased. |
23.4 Infrastructure
|
| 1. | Complete the construction to add another 1,000 kVA electrical service to the Golden Chest which would result in a 2,000 kVA service at the property. |
23.5 Environment
|
| 1. | Consider hiring a full-time environmental professional or environmental contractor as the scope of operations has increased. |
| 23-1 |
24.0 REFERENCES
Ash, C., and Alldrick, D., 1996: Au-quartz Veins, in Selected British Columbia Mineral Deposit Profiles, Volume 2 - Metallic Deposits, Lefebure, D.V. and Hõy, T, Editors, British Columbia Ministry of Employment and Investment, Open File 1996-13, pages 53-56.
Brown, Alexander, 2019, The Geology and Geochemistry of the Golden Chest Gold Deposit, Murray, Idaho: unpublished Master Thesis, Montana Tech, Butte, MT, 135 p
Chavez, J., 1990, Newmont Exploration Limited, Golden Chest Mine: Exploration Summary.
Cressman, E.R., 1989, Reconnaissance Stratigraphy of Prichard Formation (Middle Proterozoic) and the Early Development of the Belt Basin, Washington, Idaho, and Montana. U.S. Geological Survey Professional Paper 1490, 80 p.
Gammons, C., 2009. Professor, Dept. of Geological Engineering. Montana Tech of The University of Montana. E-mail communication.
Gammons, C., 2020, 40Ar/39Ar Geochronology of Golden Chest Hydrothermal Sericite; Dept of Geological Engineering, Montana Tech of the University of Montana, in conjunction with the New Mexico Geochronological Research Laboratory. Internal Report NMGRL-IR-1173B
Goldbarb, R.J., Baker, Timothy, Dubé, Benoît, Groves, D.I., Hart, C.J.R., and Gosselin, Patrice, 2005, Distribution, Character, and Genesis of Gold Deposits in Metamorphic Terrances: Economic Geology 100th Anniversary Volume, pp. 407-450
Gott, G.B., and Cathrall, J.B., 1980, Geochemical-Exploration Studies in the Coeur d’Alene District, Idaho and Montana: U.S. Geological Survey Professional Paper 1116, 63 p.
Groves, D.I., Goldfarb, R.J., Gebre-Mariam, M., Hagemann, S.G., and Robert, F., 1998, Orogenic gold deposits: A proposed classification in the context of their crustal distribution and relationship to other gold deposit types: Ore Geology Reviews 13, p.7-27, published by Elsevier Science B.V.
Hart, C.J.R., 2005, Classifying, Distinguishing and Exploring for Intrusion‐Related Gold Systems. Canadian Institute of Mining – Geological Society “The Gangue” Issue 87, October 2005.
Hausen, 1987, Newmont Golden Chest petrographic work, private report.
Hershey, O. H., 1916, Origin and distribution of ore in the Coeur d’Alene: Mineral Science Press, book 21, shelf, 7.
Hobbs, S.W., Griggs, A.B., Wallace, R.E., and Campbell, A.B., 1965, Geology of the Coeur d’ Alene district, Shoshone County, Idaho: U.S. Geological Survey Professional Paper 478, 139 p.
Hosterman, J.W., 1956, Geology of the Murray Area, Shoshone County, Idaho: U.S. Geological Survey Bulletin 1027-P, p. 725-748.
Idaho State University, 2017, Digital Geology of Idaho: http://geology.isu.edu/Digital_Geology_Idaho/
Keenan, Chester, J., 1916, Preliminary Report, May 5, 1916. unpublished report.
| 24-1 |
Lewis, R.S., T.H. Kiilsgaard, E.H. Bennett, and W.E. Hall, 1987, Lithologic and chemical characteristics of the central and southeastern part of the southern lobe of the Idaho Batholith, in T.B. Vallier and H.C. Brooks, editors, Geology of the Blue Mountains Region of Oregon, Idaho, and Washington: The Idaho Batholith and its Border Zone: US Geological Survey Professional Paper 1436, p. 151-196.
Lindgren, W., 1933. Mineral Deposits. McGraw Hill, New York and London, 930 p.
Marvin, R.F., Zartman, R.E., Obradovich, J.D., and Harrison, J.E., 1984, Geochronometric and lead isotope data on samples from the Wallace 1 x 2 quadrangle, Montana and Idaho: U.S. Geological Survey Miscellaneous Field Studies Map MF-1354-G, 1 plate.
McLachin, R., 2016, Geological Society of America (GSA) poster at 68th annual meeting, GSA Rocky Mountain Section, Moscow, Idaho, May, 2016. https://gsa.confex.com/gsa/2016RM/webprogram/Paper276190.html.
Mitchell, V.E., Reed, S.L., and Larsen, J, 2021, Digital Geology of Idaho website, https://digitalgeology.aws.cose.isu.edu/Digital_Geology_Idaho/Module7/mod7.htm
Mulholland, P., 2015, Juniper Mining Company, , final Mine report.
Murahwi, C., San Martin, A. J., and Gowans, R., 2011: Technical Report on the Initial Resource Estimate for the Golden Chest Property, Idaho, United States, effective date December 31, 2011.
Murahwi, C., San Martin, A. J., and Gowans, R., 2012: Golden Chest Property, Idaho, United States 43-101F1 Technical Report, effective date December 31, 2012.
Pertzel, B., 2017, Intrusion-related Gold Systems. Pertzel, Tahan & Associates PTY http://www.mrt.tas.gov.au/mrtdoc/tasxplor/download/14_6803/EL402008_201312_03_Appendix.pdf.
Randall, T., 2014, Metallurgical Testing of Juniper Samples, Golden Chest Mine-Idaho. Resource Development Incorporated (RDI), Wheat Ridge, CO.
Ross, Katherina, 2010, in Rhys, David, 2010, Review of structural setting and potential of gold prospects on the Toboggan Mine, Idaho. Newmont Exploration private report
Rowe, J.E., 1908, The Coeur d’Alene Mining District, Idaho, The Mining World, December 5, 1908.
Ransome, Frederick L. and Calkins, Frank C., 1908, Geology and Ore Deposits of the Coeur d ’Alene District, Idaho, USGS Professional Paper 62.
Schalck, D.K., 1989, The geology and alteration of the Gem stocks, Shoshone County, Idaho, in V.E. Chamberlain, R.M. Breckenridge, and Bill Bonichsen, editors, Guidebook to the Geology of Northern and Western Idaho and Surrounding Area: Idaho Geological Survey Bulletin 28, p. 125-135.
Shenon, P.J., 1938, Geology and Ore Deposits Near Murray, Idaho. Idaho Bureau of Mines and Geology Pamphlet 47, 44 p.
Sillitoe, R.H. 1991, Intrusion-related gold deposits. In: Foster, R.P. (ed.), Metallogeny and Exploration of Gold. Blackie and Sons, Glasgow, p. 165-209.
| 24-2 |
25.0 RELIANCE ON INFORMATION PROVIDED BY THE REGISTRANT
This TRS has been prepared by the QP’s for IDR. The QP’s are employees of IDR, and they are Grant A. Brackebusch, P.E. (Vice President – Operations), Robert J. Morgan, PG PLS (Vice President – Exploration), and Andrew A. Brackebusch, P.E. (Mine Engineer).
The information, conclusions, opinions, and estimates contained herein are based on
|
| · | Information available to the QP’s at the time of the writing of this TRS, |
|
| · | Assumptions, conditions, and qualifications as set forth in this TRS, |
|
| · | And data, reports provided by IDR and third-party sources. |
The QP’s relied on information provided by IDR’s legal counsel regarding the mineral rights on the Joe Dandy patented claim. The QP’s consider this reasonable as the legal counsel is an attorney with experience with mining law.
The QP’s relied on tax information from the Company’s tax accountant regarding the size of a tax loss carryover for the Company so that taxes can be ignored on the economic analysis of Mineral Reserves. The QP’s consider this reasonable at the tax accountant has experience in tax preparation.
The QP’s believe they have taken the steps, in their professional opinion, to assure the information used to prepare this report is valid.
| 25-1 |
26.0 DATE AND SIGNATURE PAGE
This report titled “Technical Report Summary on the Golden Chest Mine, Idaho” with an effective date of December 31, 2024, was prepared and signed by:
Grant A. Brackebusch, P.E.
Vice President - Operations, Idaho Strategic Resources, Inc.
Dated: March 20, 2026

Robert J. Morgan, PG, PLS
Vice President – Exploration, Idaho Strategic Resources, Inc.
Dated: March 20, 2026

Andrew A. Brackebusch, P.E.
Mine Engineer—Golden Chest Mine, Idaho Strategic Resources, Inc.
Dated: March 20, 2026

| 26-1 |
27.0 Appendix 1 General Statistics and Histograms for All Domains

Figure 27‑1 H-Vein Composite Statistics

Figure 27‑2 Paymaster Hangingwall Vein Composite Statistics
| 27-1 |

Figure 27‑3 Paymaster Footwall Vein Composite Statistics

Figure 27‑4 Paymaster Hangingwall Splay Vein Composite Statistics
| 27-2 |

Figure 27‑5 Jumbo Vein Composite Statistics

Figure 27‑6 Bush Vein Composite Statistics
| 27-3 |

Figure 27‑7 Bush Splay Composite Statistics

Figure 27‑8 31 Vein Composite Statistics
| 27-4 |

Figure 27‑9 37 Vein Composite Statistics

Figure 27‑10 Popcorn Vein Composite Statistics
| 27-5 |

Figure 27‑11 Klondike Hangingwall Composite Statistics
| 27-6 |
28.0 Appendix 2 Variography for Golden Chest Domains

Figure 28‑1 Skookum Area Jumbo Vein Experimental Variogram with Modeled Variogram

Figure 28‑2 Skookum Area H Vein Experimental Variogram with Modeled Variogram
| 28-1 |

Figure 28‑3 Skookum Zone Footwall Domain Experimental Variogram and Modeled Variogram

Figure 28‑4 Paymaster Area Idaho Vein Experimental Variogram with Modeled Variogrom
| 28-2 |

Figure 28‑5 Paymaster Area Jumbo Vein Experimental Variogram with Modeled Variogram

Figure 28‑6 Klondike Hangingwall Experimental Variogram with Modeled Variogram
| 28-3 |

Figure 28‑7 Klondike Zone Popcorn Vein Experimental Variogram with Modeled Variogram
| 28-4 |